- Berichten: 236
Algemeen
Middengolf
12 jan 2016 20:18 #58393
door buisje
Soldeertin is niets anders dan elektronische lijm.
Beantwoord door buisje in topic Middengolf
Wanneer je niets anders hebt, haal je primair 3 keer door die buisjes heen, sec. 4 - 5 keer.. kom je in ieder geval al meer in de buurt..
Soldeertin is niets anders dan elektronische lijm.
Graag Inloggen of een account aanmaken deelnemen aan het gesprek.
12 jan 2016 19:53 - 12 jan 2016 21:17 #58392
door buisje
Soldeertin is niets anders dan elektronische lijm.
Beantwoord door buisje in topic Middengolf
Kijk.. hier kun je mee thuiskomen... mooie waarde... lekker klein..
9 wind. vooreen ring is 30 uH , dat is per vier de juiste waarde.. voor een breed freq. bereik..
Kijk maar op Elektro dump...
Zie die UI... 850 !! dat moeten we hebben...
Heb hier nog een leuk gebruikt voedinkje liggen met groene ringen er in... Jammer dat er nog geen Brievenbus in de Email ingebouwd zit.. :lol:
.
Van een VGA kabel !!! Die zijn nog geen 1 uH per 5 slagen.... weggooien !!
Sloop er maar een paar uit een oude voeding...
kijk maar voor een paar Groene of Blauwe ringen... Dan kom je in de buurt..
GEEN GELE !! want die zijn hetzelfde als waar je nu mee werkt
Geen ijzerpoeder kernen gebruiken.. Daarvan is de hoogste waarde 70 u... te laag dus..
Goede U waarden zitten meestal in het 230 volt Netfilter van dergelijke voedingen...
9 wind. vooreen ring is 30 uH , dat is per vier de juiste waarde.. voor een breed freq. bereik..
Kijk maar op Elektro dump...
Zie die UI... 850 !! dat moeten we hebben...
Heb hier nog een leuk gebruikt voedinkje liggen met groene ringen er in... Jammer dat er nog geen Brievenbus in de Email ingebouwd zit.. :lol:
.
Van een VGA kabel !!! Die zijn nog geen 1 uH per 5 slagen.... weggooien !!
Sloop er maar een paar uit een oude voeding...
kijk maar voor een paar Groene of Blauwe ringen... Dan kom je in de buurt..
GEEN GELE !! want die zijn hetzelfde als waar je nu mee werkt
Geen ijzerpoeder kernen gebruiken.. Daarvan is de hoogste waarde 70 u... te laag dus..
Goede U waarden zitten meestal in het 230 volt Netfilter van dergelijke voedingen...
Soldeertin is niets anders dan elektronische lijm.
Laatst bewerkt 12 jan 2016 21:17 door buisje.
Graag Inloggen of een account aanmaken deelnemen aan het gesprek.
12 jan 2016 19:50 #58391
door PE9ZZ
Tjerk, 9ZZ
Beantwoord door PE9ZZ in topic Middengolf
Geen idee wat het voor cores zijn. Van een VGA kabel afgesloopt. Staat niks op. Nog effe wezen shoppen voor cores. Geen idee wat ik moet hebben. T160-2 ofzo, target power heb ik al wel gehaald met die 25 W. Veel meer hoef ik toch niet. Vooralsnog... Waar haal jij je cores vandaan? En welke?
De drivers staan op m'n Pharnell bestellijst. Had al zitten zoeken naar een zware low side driver (12A) maar nog geen beslissing. Die 4451 lijkt me wel wat.
M'n stroombegrenzing gaat aan de haal met dat vermogen. Denk dat de ontkoppeling wel wat beter mag
De drivers staan op m'n Pharnell bestellijst. Had al zitten zoeken naar een zware low side driver (12A) maar nog geen beslissing. Die 4451 lijkt me wel wat.
M'n stroombegrenzing gaat aan de haal met dat vermogen. Denk dat de ontkoppeling wel wat beter mag
Tjerk, 9ZZ
Graag Inloggen of een account aanmaken deelnemen aan het gesprek.
12 jan 2016 19:22 - 12 jan 2016 19:51 #58389
door buisje
Soldeertin is niets anders dan elektronische lijm.
Beantwoord door buisje in topic Middengolf
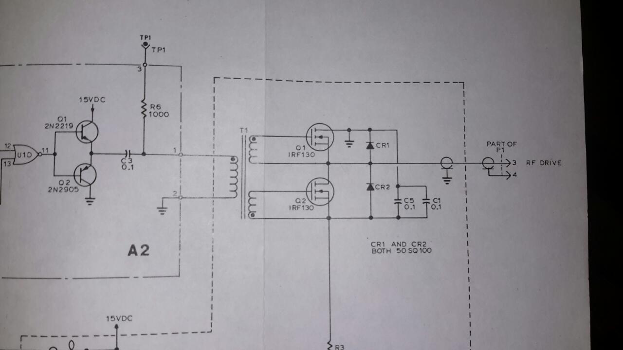
Hier het Nautel driver schema... Zo werd het gedaan toen er nog geen kant en klare drivers waren...
Hier kun je een lasapparaat nog mee aansturen !! :woohoo:
Zijn die cores FB 43 - 1020 ?
Door Primair meer win. te pakken, kun je sec. 1:2 maken of net iets meer.. kom je beter / dichter bij de 50 Ohm uit..
Moet zeggen dat ik de rommel nu niet meer opblaas, maar er waren ooit andere tijden...
En een voeding met stroombegrenzing is ook niet weg...
Hier kun je een lasapparaat nog mee aansturen !! :woohoo:
Zijn die cores FB 43 - 1020 ?
Door Primair meer win. te pakken, kun je sec. 1:2 maken of net iets meer.. kom je beter / dichter bij de 50 Ohm uit..
Moet zeggen dat ik de rommel nu niet meer opblaas, maar er waren ooit andere tijden...
En een voeding met stroombegrenzing is ook niet weg...
Soldeertin is niets anders dan elektronische lijm.
Laatst bewerkt 12 jan 2016 19:51 door buisje.
Graag Inloggen of een account aanmaken deelnemen aan het gesprek.
12 jan 2016 19:03 - 12 jan 2016 19:25 #58388
door buisje
Soldeertin is niets anders dan elektronische lijm.
Beantwoord door buisje in topic Middengolf
Effe terug kijken tjerk...
Goeie driver gebruiken.... IXDD 414 CI.. (TO220 5 poot)
Tot 2.5 mHz doet de 4452 / 4451 het zelfde... kost anderhalve drol..
Zonder goeie drivers... werkt het niet..
IXDD 414 gaat alleen tot 30 volt, de 4451/52 tot 18volt...So What..
De 4452 /51 kan een sinus in.. Komt een prachtige blok uit !!
Heb ik een beetje van het Nautel rack af gekeken...
zitten dezelfde ringen in !! alleen diameter kleiner.
Omdat de IRF 140 Drain 800 PF heeft, gebruiken hun twee win, prim...
En door de lage spanning incl. PWM mod. (70volt) 7 win. sec..
Goeie driver gebruiken.... IXDD 414 CI.. (TO220 5 poot)
Tot 2.5 mHz doet de 4452 / 4451 het zelfde... kost anderhalve drol..
Zonder goeie drivers... werkt het niet..
IXDD 414 gaat alleen tot 30 volt, de 4451/52 tot 18volt...So What..
De 4452 /51 kan een sinus in.. Komt een prachtige blok uit !!
Heb ik een beetje van het Nautel rack af gekeken...
Omdat de IRF 140 Drain 800 PF heeft, gebruiken hun twee win, prim...
En door de lage spanning incl. PWM mod. (70volt) 7 win. sec..
Soldeertin is niets anders dan elektronische lijm.
Laatst bewerkt 12 jan 2016 19:25 door buisje.
Graag Inloggen of een account aanmaken deelnemen aan het gesprek.
12 jan 2016 18:51 #58387
door PE9ZZ
Tjerk, 9ZZ
Beantwoord door PE9ZZ in topic Middengolf
Hier alvast de mijne:
Dit is de trafo met de SUDs. Goed is te zien dat primair gewoon een draadje is en secundair twee windingen. FETjes vallen bijna weg. Grote kopervlak is heat sink.
Sturing van de FETs, veel te traag! Komt 12A driver voor.
Output over dummyload, 20V/div. Met rare spike.
Dit is de trafo met de SUDs. Goed is te zien dat primair gewoon een draadje is en secundair twee windingen. FETjes vallen bijna weg. Grote kopervlak is heat sink.
Sturing van de FETs, veel te traag! Komt 12A driver voor.
Output over dummyload, 20V/div. Met rare spike.
Tjerk, 9ZZ
Graag Inloggen of een account aanmaken deelnemen aan het gesprek.