- Berichten: 462
Radio's van 1950 tot 1970
Problemen eigenbouw buizen radio
24 jan 2016 12:14 - 24 jan 2016 12:16 #58814
door Laurens
.
Beantwoord door Laurens in topic Problemen eigenbouw buizen radio
Ik denk dat je het moet zoeken in de gelijkloop tussen de antennekring en de oscillatorkring. Als je een zender op 1670 ook op 900 onvangt, staat die kring dus verkeerd afgeregeld. Je ontvanger is gevoelig voor spiegelfrequenties - als je naar 1000khz luistert, kan je dus ook 1000-455khz en 1000+455khz ontvangen als de antennekring niet goed is afgeregeld.
Hier vind je meer uitleg over spiegelfrequenties: nl.wikipedia.org/wiki/Spiegelfrequentie
Pak er eens een Philips service documentatie bij. Neem bijvoorbeeld de BX310a of BX520a als voorbeeld, en kijk hoe ze daar de antenne en oscillatorkring afregelen.
Om rateltjes te voorkomen, is het tevens slim om een zuigkring op 455khz (of wat je middenfrequentie ook is) parallel aan de antenneingang te zetten. Zo voorkom je dat de storing die op 455khz zit wordt doorgegeven.
Hier vind je meer uitleg over spiegelfrequenties: nl.wikipedia.org/wiki/Spiegelfrequentie
Pak er eens een Philips service documentatie bij. Neem bijvoorbeeld de BX310a of BX520a als voorbeeld, en kijk hoe ze daar de antenne en oscillatorkring afregelen.
Om rateltjes te voorkomen, is het tevens slim om een zuigkring op 455khz (of wat je middenfrequentie ook is) parallel aan de antenneingang te zetten. Zo voorkom je dat de storing die op 455khz zit wordt doorgegeven.
.
Laatst bewerkt 24 jan 2016 12:16 door Laurens.
Graag Inloggen of een account aanmaken deelnemen aan het gesprek.
24 jan 2016 11:55 #58813
door joop220
Beantwoord door joop220 in topic Problemen eigenbouw buizen radio
Ja oké maar ben nu al maanden er mee bezig .
heb met elkaar 4 radio's gebouwd en allemaal met zelfde probleem .
misschien iets met onder menging of boven mening of hoe dat ook maar werkt
en kom er niet verder mee ,op deze manier bouw ik er ook niet meer
en op technisch gebied bereken en zo is voor mij moeilijk .
vermoed wel dat in de mengbuis zit dat daar iets mis gaat .
of dat de oscillator spoel niet goed is
dus hoop toch op een goeie tip .
heb met elkaar 4 radio's gebouwd en allemaal met zelfde probleem .
misschien iets met onder menging of boven mening of hoe dat ook maar werkt
en kom er niet verder mee ,op deze manier bouw ik er ook niet meer
en op technisch gebied bereken en zo is voor mij moeilijk .
vermoed wel dat in de mengbuis zit dat daar iets mis gaat .
of dat de oscillator spoel niet goed is

dus hoop toch op een goeie tip .
Graag Inloggen of een account aanmaken deelnemen aan het gesprek.
24 jan 2016 11:18 - 24 jan 2016 11:19 #58811
door MauriceH
Beantwoord door MauriceH in topic Problemen eigenbouw buizen radio
Joop,
Even zelf denken is hier goede methode om er achter te komen ipv dat ik het je vertel.
Blijft het beter hangen straks.Zeker bij zelfbouw is een volgende radio dan ook beter
de fouten er uit te vissen.
Bedenk hoe werkt nu zo'n super. waarom die middenfrequent.
Waarom kiest men soms voor 455 ,460 enz.
En waarom MF en hoe werkt dat.
Er hoort een klein formuletje bij die supers.
Iets met Ontvangen, oscillator enz.
Bekijk dan ook je dubbele frequentie.
En kijk dan of je met een heel klein rekensommetje uit komt op je probleem.
Even zelf denken is hier goede methode om er achter te komen ipv dat ik het je vertel.
Blijft het beter hangen straks.Zeker bij zelfbouw is een volgende radio dan ook beter
de fouten er uit te vissen.
Bedenk hoe werkt nu zo'n super. waarom die middenfrequent.
Waarom kiest men soms voor 455 ,460 enz.
En waarom MF en hoe werkt dat.
Er hoort een klein formuletje bij die supers.
Iets met Ontvangen, oscillator enz.
Bekijk dan ook je dubbele frequentie.
En kijk dan of je met een heel klein rekensommetje uit komt op je probleem.
Laatst bewerkt 24 jan 2016 11:19 door MauriceH.
Graag Inloggen of een account aanmaken deelnemen aan het gesprek.
24 jan 2016 10:39 #58810
door joop220
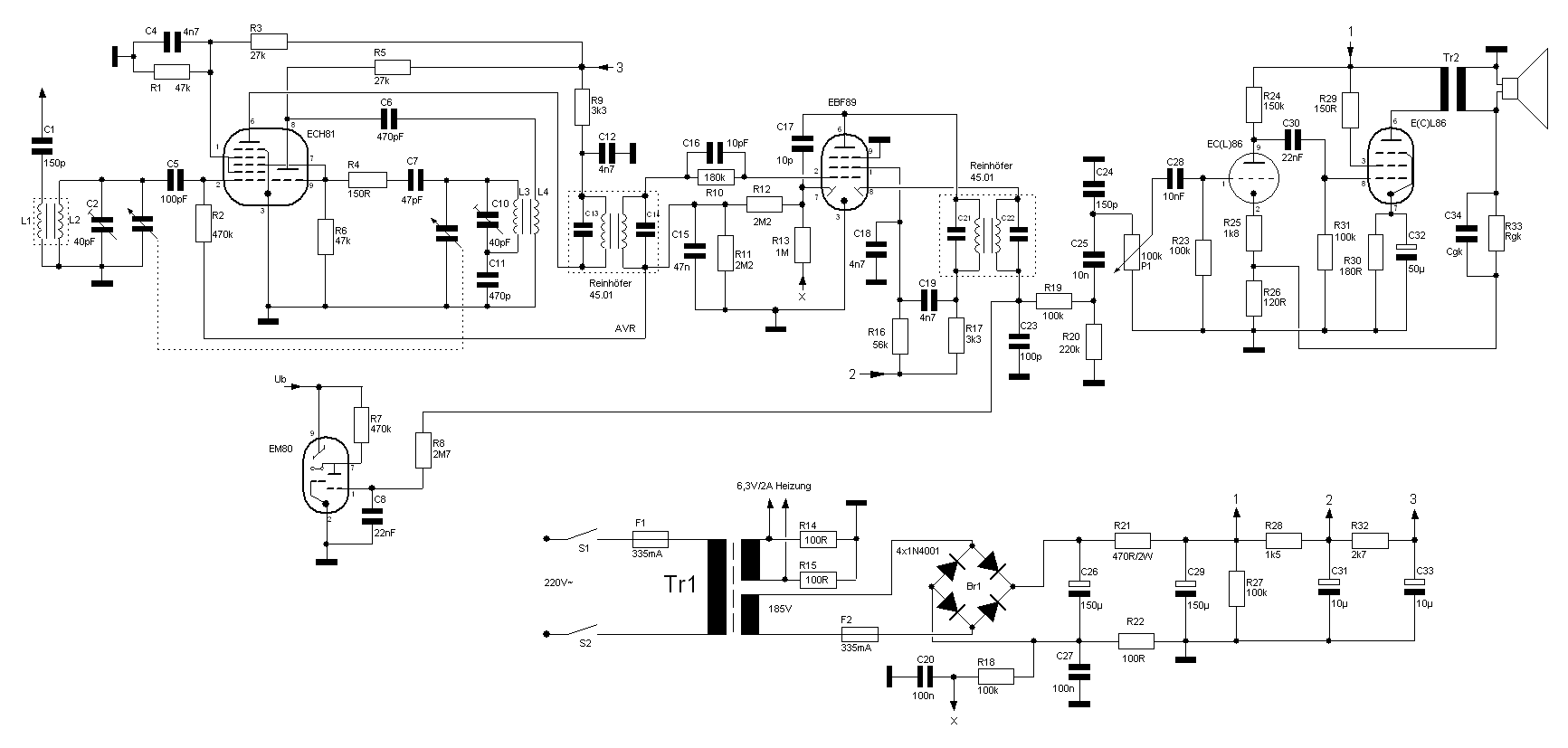
Problemen eigenbouw buizen radio werd gestart door joop220
Door een tip van PE9ZZ heb ik me aan gemeld op dit voor forum .
heb nu 4 lampen radio's gebouwd ,en spelen allemaal prima
ongeveer volgens bij gevoegd schema
ontvanger is prima gevoelig ,en speelt als een trein .
midden frequent staat precies op 455 khz .
ook de zenders zitten allemaal op goeie plek .
maar nu het probleem alle zenders die ik van af 1670 khz ontvang .
komen van af ongeveer 900 khz weer langs en ook last van korte golf ratels .
dus radio's pakken alles dubbel .
ik gebruik een draad antenne van 15 meter .
ben technisch een leek ,misschien heeft iemand een goeie oplossing
heb nu 4 lampen radio's gebouwd ,en spelen allemaal prima
ongeveer volgens bij gevoegd schema
ontvanger is prima gevoelig ,en speelt als een trein .
midden frequent staat precies op 455 khz .
ook de zenders zitten allemaal op goeie plek .
maar nu het probleem alle zenders die ik van af 1670 khz ontvang .
komen van af ongeveer 900 khz weer langs en ook last van korte golf ratels .
dus radio's pakken alles dubbel .
ik gebruik een draad antenne van 15 meter .
ben technisch een leek ,misschien heeft iemand een goeie oplossing
Graag Inloggen of een account aanmaken deelnemen aan het gesprek.