- Berichten: 462
Radio's van 1950 tot 1970
Problemen eigenbouw buizen radio
24 jan 2016 23:47 #58842
door Laurens
.
Beantwoord door Laurens in topic Problemen eigenbouw buizen radio
De ontvangst zal vrij slecht zijn, maar 't is een test van je antennekring. De diode kan een willekeurige kleinsignaaldiode zijn zoals een AA119, 1N4148 of iets in die richting. Geen powerdiodes zoals 1n400x.
Je zou zelfs een kristalontvanger kunnen maken met die bestaande antennekring
Je zou zelfs een kristalontvanger kunnen maken met die bestaande antennekring
.
Graag Inloggen of een account aanmaken deelnemen aan het gesprek.
24 jan 2016 23:00 #58839
door joop220
Beantwoord door joop220 in topic Problemen eigenbouw buizen radio
Oke ik ga dat morgen eens proberen .
is kijken hoe die dan ontvangt .
is kijken hoe die dan ontvangt .
Graag Inloggen of een account aanmaken deelnemen aan het gesprek.
24 jan 2016 21:42 #58837
door Laurens
.
Beantwoord door Laurens in topic Problemen eigenbouw buizen radio
De zuigkring werkt voor de 455khz middenfrequent. Daar heb je ook vaak rommel.
Bouw hem eens op onderstaande wijze om naar een zeer basale eenkrings ontvanger. Je kan ook de diode van de EBC gebruiken als detector, maar dan moet je wel de ontvanger verder uit elkaar halen.
De selectiviteit hoeft niet geweldig te zijn, zolang je maar (bijvoorbeeld) niet Groot Nieuws Radio hoort als je naar zenders luistert die daar 455khz vandaan zitten.
Bouw hem eens op onderstaande wijze om naar een zeer basale eenkrings ontvanger. Je kan ook de diode van de EBC gebruiken als detector, maar dan moet je wel de ontvanger verder uit elkaar halen.
De selectiviteit hoeft niet geweldig te zijn, zolang je maar (bijvoorbeeld) niet Groot Nieuws Radio hoort als je naar zenders luistert die daar 455khz vandaan zitten.
.
Graag Inloggen of een account aanmaken deelnemen aan het gesprek.
24 jan 2016 17:57 #58834
door joop220
Beantwoord door joop220 in topic Problemen eigenbouw buizen radio
Hallo Tjerk en Cees
ik heb in mijn radio wel de 4N007 zitten dus dat zit wel goed .
verder ga ik nu op andere forums niet verder meer met mijn probleem .
van af 1670 khz zo ver heb ik hem in gesteld en ontvang ik netjes de zenders tot de 530 khz
alleen van af ongeveer 900 khz beginnen ook weer de zenders van af 1670 khz
dus van af daar dus dubbel .
dit geld nu voor alle 4 radio's die ik gemaakt heb

en inderdaad hier en daar een korte golf ratel
radio's zijn verder prima selectief ,en de gelijk loop regel ik bij meteen aparte draaicondensator .
mf staat op 455 khz
dus ook prima gevoelig niks mis mee .
vrijwel gelijk aan de sangean 909 . alleen iets meer ruis
zal wel in de mengbuis wel mis gaan .
of kan nog proberen misschien de oscillator spoel .
voor de korte golf ratels volgens sommige een zuigkring filter .
iemand misschien een compleet schema hier van
.ik kan niet vinden
dan ben ik daar van af in ieder geval
want met formules kom ik er niet uit
ik heb in mijn radio wel de 4N007 zitten dus dat zit wel goed .
verder ga ik nu op andere forums niet verder meer met mijn probleem .
van af 1670 khz zo ver heb ik hem in gesteld en ontvang ik netjes de zenders tot de 530 khz
alleen van af ongeveer 900 khz beginnen ook weer de zenders van af 1670 khz
dus van af daar dus dubbel .
dit geld nu voor alle 4 radio's die ik gemaakt heb
en inderdaad hier en daar een korte golf ratel
radio's zijn verder prima selectief ,en de gelijk loop regel ik bij meteen aparte draaicondensator .
mf staat op 455 khz
dus ook prima gevoelig niks mis mee .
vrijwel gelijk aan de sangean 909 . alleen iets meer ruis
zal wel in de mengbuis wel mis gaan .
of kan nog proberen misschien de oscillator spoel .
voor de korte golf ratels volgens sommige een zuigkring filter .
iemand misschien een compleet schema hier van
.ik kan niet vindendan ben ik daar van af in ieder geval
want met formules kom ik er niet uit
Graag Inloggen of een account aanmaken deelnemen aan het gesprek.
24 jan 2016 17:57 - 24 jan 2016 18:12 #58833
door MauriceH
Beantwoord door MauriceH in topic Problemen eigenbouw buizen radio
Betwijfel of beste Joop wel juiste spoelen gebruikt.
Heeft het over spoel 336.
Getoond een A3.127.72.0 spoel! vandaar de tekst 772.0
Weet wat je in handen hebt.
336 is een maand/jaar code, denk 1956 week 33.
Dus Zoek in radio schema's naar spoel A3.127.72.0
Is even zoeken en veel downloaden maar EERST weten.
In mijn lijsten komt ie niet voor.
=> EDIT : Gevonden B6X63A ->S32/S33 Is inderdaad Bandfilter 452kHz
Met 2x 195pF.
http://www.zendamateur.com/download/file.php?id=11955&sid=6bbf470fcbe6c12c3aca8759646bf412&mode=view
Heeft het over spoel 336.
Getoond een A3.127.72.0 spoel! vandaar de tekst 772.0
Weet wat je in handen hebt.
336 is een maand/jaar code, denk 1956 week 33.
Dus Zoek in radio schema's naar spoel A3.127.72.0
Is even zoeken en veel downloaden maar EERST weten.
In mijn lijsten komt ie niet voor.
=> EDIT : Gevonden B6X63A ->S32/S33 Is inderdaad Bandfilter 452kHz
Met 2x 195pF.
http://www.zendamateur.com/download/file.php?id=11955&sid=6bbf470fcbe6c12c3aca8759646bf412&mode=view
Laatst bewerkt 24 jan 2016 18:12 door MauriceH.
Graag Inloggen of een account aanmaken deelnemen aan het gesprek.
24 jan 2016 17:12 - 24 jan 2016 17:15 #58832
door PE9ZZ
Tjerk, 9ZZ
Beantwoord door PE9ZZ in topic Problemen eigenbouw buizen radio
@Joop: welkom hier! Het is wellicht raadzaam om effe je posts op zendamateur.com te linken hiero, zoals
deze
, al was het alleen maar om herhaling van zetten te voorkomen.
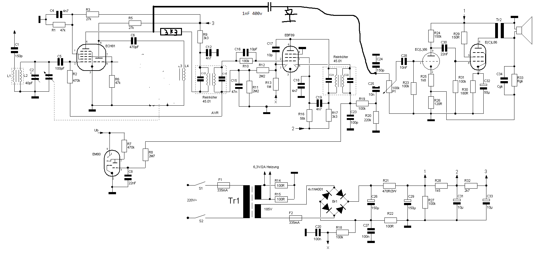
Overigens snap ik je probleem toch niet helemaal. Je hebt op 1670 kHz ontvangst en op 900 kHz weer van hetzelfde station? En je ontvangt kortegolfsignalen? Dat duidt erop dat je helemaal geen selectiviteit hebt op het rooster van je ECH81. Je moet dus toch eens naar je ingangscircuit kijken. Zonder selectiviteit aldaar gaat je radio echt niet goed werken.
Oh, en vervang de 1N4001's voor iN4007's. Die kunnen een kilovolt hebben, de 4001 maar 50 volt dus die gaan geheid stuk...
Overigens snap ik je probleem toch niet helemaal. Je hebt op 1670 kHz ontvangst en op 900 kHz weer van hetzelfde station? En je ontvangt kortegolfsignalen? Dat duidt erop dat je helemaal geen selectiviteit hebt op het rooster van je ECH81. Je moet dus toch eens naar je ingangscircuit kijken. Zonder selectiviteit aldaar gaat je radio echt niet goed werken.
Oh, en vervang de 1N4001's voor iN4007's. Die kunnen een kilovolt hebben, de 4001 maar 50 volt dus die gaan geheid stuk...
Tjerk, 9ZZ
Laatst bewerkt 24 jan 2016 17:15 door PE9ZZ. Reden: 1N4007!
Graag Inloggen of een account aanmaken deelnemen aan het gesprek.