- Berichten: 35
Radio's van 1950 tot 1970
Problemen eigenbouw buizen radio
14 feb 2016 12:31 - 14 feb 2016 12:59 #59251
door joop220
Beantwoord door joop220 in topic Problemen eigenbouw buizen radio
Hallo Albert
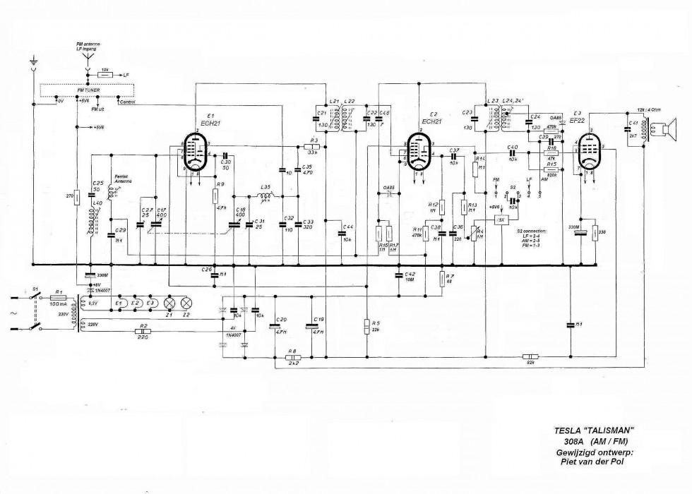
ja ik heb wel meerder schema,s geprobeerd wat de ferriet antenne aan gaat .
maar ontvang er geen zenders mee .heel vreemd
er gaat wat verkeerd .maar ja je bout schema na .dus je zou zeggen moet werken .
pas als ik met de externe antenne in de buurt kom ,komen ze binnen .
deze oscillator schema gemaakt .maar ook dubbele ontvangst
zie schema
ja ik heb wel meerder schema,s geprobeerd wat de ferriet antenne aan gaat .
maar ontvang er geen zenders mee .heel vreemd
er gaat wat verkeerd .maar ja je bout schema na .dus je zou zeggen moet werken .
pas als ik met de externe antenne in de buurt kom ,komen ze binnen .
deze oscillator schema gemaakt .maar ook dubbele ontvangst
zie schema
Laatst bewerkt 14 feb 2016 12:59 door joop220.
Graag Inloggen of een account aanmaken deelnemen aan het gesprek.
Minder
Meer
- Berichten: 186
14 feb 2016 11:13 #59248
door albert v v
Beantwoord door albert v v in topic Problemen eigenbouw buizen radio
Halo Joop en Cees,
Ik heb ook wel ondervonden dat een mengbuis heel gevoelig is.
Zodra men met de voltmeter op de pinnen van de mengbuis raakt verdwijnt soms plots het signaal.
Misschien doen we dan iets gelijkaardigs en dus verkeerd in onze connecties?
Joop ,het schema dat je opstuurt zou moeten werken! of is het een kwestie van slechte impedantie, maar hoe men dat moet berekenen of corrigeren weet ik niet !
Ook nog: op Philips radios is dikwijls een dubbele ferrietantenne, op Grundig alleen een kleine staaf en die werkt even gevoelig??? wie heeft daarvoor een uitleg?
groeten,
albert
Ik heb ook wel ondervonden dat een mengbuis heel gevoelig is.
Zodra men met de voltmeter op de pinnen van de mengbuis raakt verdwijnt soms plots het signaal.
Misschien doen we dan iets gelijkaardigs en dus verkeerd in onze connecties?
Joop ,het schema dat je opstuurt zou moeten werken! of is het een kwestie van slechte impedantie, maar hoe men dat moet berekenen of corrigeren weet ik niet !
Ook nog: op Philips radios is dikwijls een dubbele ferrietantenne, op Grundig alleen een kleine staaf en die werkt even gevoelig??? wie heeft daarvoor een uitleg?
groeten,
albert
Graag Inloggen of een account aanmaken deelnemen aan het gesprek.
14 feb 2016 10:51 #59247
door joop220
Beantwoord door joop220 in topic Problemen eigenbouw buizen radio
Hallo Cees
ik ben in termen niet zo technisch .
in schema zit tussen de andere anode een weerstand van 10 k
neem aan dat je dat ook niet bedoeld .
het triode deel een R welk punt van de buis is dit dan
ik ben in termen niet zo technisch .
in schema zit tussen de andere anode een weerstand van 10 k
neem aan dat je dat ook niet bedoeld .
het triode deel een R welk punt van de buis is dit dan
Graag Inloggen of een account aanmaken deelnemen aan het gesprek.
14 feb 2016 02:08 #59246
door Cees
Beantwoord door Cees in topic Problemen eigenbouw buizen radio
Joop,
Ik bedoel de anode R van de triode.
Dat is het oscillator deel.
Niet de hexode, het mengdeel.
Cees.
Ik bedoel de anode R van de triode.
Dat is het oscillator deel.
Niet de hexode, het mengdeel.
Cees.
Graag Inloggen of een account aanmaken deelnemen aan het gesprek.
13 feb 2016 22:01 - 13 feb 2016 22:03 #59239
door joop220
Beantwoord door joop220 in topic Problemen eigenbouw buizen radio
De anode van de ech 81 die naar de volgende buis gaat .
( neem aan dat je dat bedoeld )
dit gaat dan via bandfilter .en aan de andere kant zit
bij mij wel een weerstand naar de hoogspanning .
kan dit omruilen ,maar dat hoort volgens mij niet zo
( neem aan dat je dat bedoeld )
dit gaat dan via bandfilter .en aan de andere kant zit
bij mij wel een weerstand naar de hoogspanning .
kan dit omruilen ,maar dat hoort volgens mij niet zo
Laatst bewerkt 13 feb 2016 22:03 door joop220.
Graag Inloggen of een account aanmaken deelnemen aan het gesprek.
13 feb 2016 21:39 #59238
door Cees
Beantwoord door Cees in topic Problemen eigenbouw buizen radio
@ Joop,
Meestal zit er voor de anode R van het triode deel een R van 30 kOhm of 33kOm
in de gangbare radio's met ECH81.
Eens proberen?
Cees.
Meestal zit er voor de anode R van het triode deel een R van 30 kOhm of 33kOm
in de gangbare radio's met ECH81.
Eens proberen?
Cees.
Graag Inloggen of een account aanmaken deelnemen aan het gesprek.