- Berichten: 236
Algemeen
Middengolf
18 jan 2016 17:11 - 18 jan 2016 17:24 #58642
door buisje
Soldeertin is niets anders dan elektronische lijm.
Beantwoord door buisje in topic Middengolf
Zit er goed uit toch. En ja, op deze manier moduleren kan nog wel, maar wanneer je een paar honderd Watt gaat maken is de modulator nog groter dan de HF eindtrap. Maar om ze effe te klooien...Mooi toch.
Filter maak je zo met RF Sim.. Daar werk ik al lang mee..
Ik weet het, de meeste ic's zijn niet voor onze doeleinden, zelf gebruik ik ook de CD 4049, een blokje laten oscilleren, een er achter als buffer, de vier overige parallel en klaar... Van de week met een keitje van 20 mHz. nog een mooie blok eruit ..BD 139 / 140 er achter en je hebt genoeg voor een paar dikke Fet's..
Heb vandaag ook een paar IRF 540"s besteld, effe mee testen.... De IRF 510 die ik nu heb, heeft maar een paar Ampère.. Gisteren 4 stuks op 50 Volt 2,5 Amp.... Ze zijn nog heel
De halve piratenwereld zit met die IRF 540 te klooien... :woohoo:
Filter maak je zo met RF Sim.. Daar werk ik al lang mee..
Ik weet het, de meeste ic's zijn niet voor onze doeleinden, zelf gebruik ik ook de CD 4049, een blokje laten oscilleren, een er achter als buffer, de vier overige parallel en klaar... Van de week met een keitje van 20 mHz. nog een mooie blok eruit ..BD 139 / 140 er achter en je hebt genoeg voor een paar dikke Fet's..
Heb vandaag ook een paar IRF 540"s besteld, effe mee testen.... De IRF 510 die ik nu heb, heeft maar een paar Ampère.. Gisteren 4 stuks op 50 Volt 2,5 Amp.... Ze zijn nog heel
De halve piratenwereld zit met die IRF 540 te klooien... :woohoo:
Soldeertin is niets anders dan elektronische lijm.
Laatst bewerkt 18 jan 2016 17:24 door buisje.
Graag Inloggen of een account aanmaken deelnemen aan het gesprek.
18 jan 2016 09:43 - 18 jan 2016 09:45 #58637
door PE9ZZ
Modulator. Ding wordt bloedheet, zelfs bij lage draaggolfvermogen van 5 W. Die TIP is overigens een BD249, die kan 9A aan. 3A (TIP) is te weinig.
Is dit lineair of niet?!?
Mooie bijna 100% modulatie.
Output (boven) en drive (onder), 990 kHz.
Bijna 100% modulatie, zijbanden op -6 dB
Uitgangsspectrum, 3fc is -12 dB down, 2fc -40 dB. Filtering is vrij simpel te realiseren.
TODO: PWM modulator en output filter/matching. Oh ja, moet ook nog effe een longwire spannen :lol:
Tjerk, 9ZZ
Beantwoord door PE9ZZ in topic Middengolf
Modulator. Ding wordt bloedheet, zelfs bij lage draaggolfvermogen van 5 W. Die TIP is overigens een BD249, die kan 9A aan. 3A (TIP) is te weinig.
Is dit lineair of niet?!?
Mooie bijna 100% modulatie.
Output (boven) en drive (onder), 990 kHz.
Bijna 100% modulatie, zijbanden op -6 dB
Uitgangsspectrum, 3fc is -12 dB down, 2fc -40 dB. Filtering is vrij simpel te realiseren.
TODO: PWM modulator en output filter/matching. Oh ja, moet ook nog effe een longwire spannen :lol:
Tjerk, 9ZZ
Laatst bewerkt 18 jan 2016 09:45 door PE9ZZ. Reden: TIP31C
Graag Inloggen of een account aanmaken deelnemen aan het gesprek.
18 jan 2016 09:37 #58636
door PE9ZZ
Tjerk, 9ZZ
Beantwoord door PE9ZZ in topic Middengolf
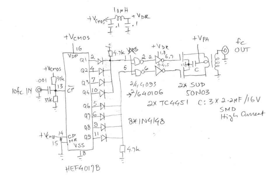
Dit heb ik van 't weekend in elkaar geflanst:
Speciale duty cycle generator, die heeft daarom 10fc nodig. Voor 990 kHz dus 9.9 MHz. Helaas kakt de HEF4017B er al bij 13 MHz mee uit (typ. 16 MHz). Motorola's MC14017 is nog trager. Maar het concept werkt als een tierelier.
Uitgangstrafo op 4C65 toroid. Door zoveel draadjes te nemen wordt de oppervlakte 39x zo groot als met een enkele 1.6mm dia CuL draad. Wel errug lastig vertinnen. Rotklusje.
Ontkoppel C'tjes. Deze komen net als de SUD50N03 uit een VRE module voor de CPU van een server. Kunnen dus een boel stroom hebben.
Voltooid circuit, met closeup van de uitgangstrap.
Speciale duty cycle generator, die heeft daarom 10fc nodig. Voor 990 kHz dus 9.9 MHz. Helaas kakt de HEF4017B er al bij 13 MHz mee uit (typ. 16 MHz). Motorola's MC14017 is nog trager. Maar het concept werkt als een tierelier.
Uitgangstrafo op 4C65 toroid. Door zoveel draadjes te nemen wordt de oppervlakte 39x zo groot als met een enkele 1.6mm dia CuL draad. Wel errug lastig vertinnen. Rotklusje.
Ontkoppel C'tjes. Deze komen net als de SUD50N03 uit een VRE module voor de CPU van een server. Kunnen dus een boel stroom hebben.
Voltooid circuit, met closeup van de uitgangstrap.
Tjerk, 9ZZ
Graag Inloggen of een account aanmaken deelnemen aan het gesprek.
18 jan 2016 07:17 #58635
door PE9ZZ
Tjerk, 9ZZ
Beantwoord door PE9ZZ in topic Middengolf
Kijk, da's het betere werk! Hoort overigens wel thuis in topic "Kortegolf!"...
Ik heb mijn SUD50N03 PA opnieuw gebouwd met een 4C65 kern. Ik kreeg 78% rendement, dus ik dacht "Joepie!". Even later kreeg ik maar 66%. Wat dat nou was, meetfout, rekenfout, onderdelen aan de haal, geen idee. Wel blijft m'n ontkoppeling nu koud. FETs worden lauw maar het draad om m'n kern bloedheet. Kennelijk is 8A peak wat veel voor 19*0.6mm CuL.
Ook nog effe snel een class A modulator in elkaar geflanst. Ding wordt met 5 W carrier (20 W PEP) bloedheet. Maar de modulatie is prachtig lineair. Foto's komen nog.
Ik heb mijn SUD50N03 PA opnieuw gebouwd met een 4C65 kern. Ik kreeg 78% rendement, dus ik dacht "Joepie!". Even later kreeg ik maar 66%. Wat dat nou was, meetfout, rekenfout, onderdelen aan de haal, geen idee. Wel blijft m'n ontkoppeling nu koud. FETs worden lauw maar het draad om m'n kern bloedheet. Kennelijk is 8A peak wat veel voor 19*0.6mm CuL.
Ook nog effe snel een class A modulator in elkaar geflanst. Ding wordt met 5 W carrier (20 W PEP) bloedheet. Maar de modulatie is prachtig lineair. Foto's komen nog.
Tjerk, 9ZZ
Graag Inloggen of een account aanmaken deelnemen aan het gesprek.
17 jan 2016 23:57 - 18 jan 2016 00:26 #58630
door buisje
Soldeertin is niets anders dan elektronische lijm.
Beantwoord door buisje in topic Middengolf
Moduleren heb ik ook gedaan met de originele schakeling van de J1000, maar gaf geen beter resultaat als de TL 494, alleen met dit verschil dat ik eerst een blok moest maken op 120 kHz. en daarna een zaagtand voordat ik de schuiver / comperator in kon. Een hoop werken extra dus...
Wel is de doorlaat van het PWM filter van belang, tenminste was in mij geval zo..
Ik zit met de IRF 510 ongeveer met 30 volt op restcarrier level en probeer met 40 volt daar bovenop de PWM uit te sturen.
PA is galvanisch gescheiden, dus kan + of - naar massa leggen, alles is mogelijk..
Heb vorig jaar met 1500 Watt (carrier) met 4 x GU 81 (31 mtr.) mail uit Nieuw Zeeland gekregen met een audio opname erbij... Kijk, das Kicken !! Alleen was de buurvrouw niet blij met mijn inv. V antenne die langs haar huis hing, de elektronische deurbel bleef ringkelen..
. Heb nu al geruime tijd een Loop antenne met ringkern (520 - 2) aanpassing samen met twee vette vacuüm C's gemaakt die een perfecte SWR heeft, van 5 tot 10 mHz. eens kijken wat dat gaat opleveren.
Ik weet het, de schakeling is erg simpel, maar werkte meteen goed.. eerst maar eens effe kijken wat het (On Air) gaat doen..
Wel is de doorlaat van het PWM filter van belang, tenminste was in mij geval zo..
Ik zit met de IRF 510 ongeveer met 30 volt op restcarrier level en probeer met 40 volt daar bovenop de PWM uit te sturen.
PA is galvanisch gescheiden, dus kan + of - naar massa leggen, alles is mogelijk..
Heb vorig jaar met 1500 Watt (carrier) met 4 x GU 81 (31 mtr.) mail uit Nieuw Zeeland gekregen met een audio opname erbij... Kijk, das Kicken !! Alleen was de buurvrouw niet blij met mijn inv. V antenne die langs haar huis hing, de elektronische deurbel bleef ringkelen..
Ik weet het, de schakeling is erg simpel, maar werkte meteen goed.. eerst maar eens effe kijken wat het (On Air) gaat doen..
Soldeertin is niets anders dan elektronische lijm.
Laatst bewerkt 18 jan 2016 00:26 door buisje.
Graag Inloggen of een account aanmaken deelnemen aan het gesprek.
17 jan 2016 20:07 - 17 jan 2016 20:44 #58619
door buisje
Soldeertin is niets anders dan elektronische lijm.
Beantwoord door buisje in topic Middengolf
Moet toch wachten op de Middengolf onderdelen, daarom gisteren avond maar eens aan mij KG stuurtrap begonnen..
Bedoeling ligt om er op de 30 /31 en de 48 / 49 mtr eens flink mee te gaan toeteren.. :woohoo:
Het in een Briged Classe D met 2 X 2 Fet's parallel.
Heb een watt of 50 op Dummy, uit 4 IRF 510 Fetjes.. komt ongeveer 55 Watt uit de voeding..
Ondanks dat het op 9.2 mHz. zit toch nog goed rendement met de Fetjes...
Ontwerp wat ik in mijn hoofd had uitgewerkt en werkt naar behoren... Gelukkig..
Ga met een blok de PA in en heb weinig warmte, moet alles nog exact nameten, maar Dummy wordt warmer dan het koelblok..
Kan er alle kanten mee uit, kan nog een dikkere Fet eindtrap trap achter of een buisje aansturen...
Ken het ontkoppeling probleem, had vandaag een block c die droog de goeie waarde aangaf, alleen in mijn nieuwe 10 Mhz ontwerp had ik opeens maar de halve output...

Maar had nog een paar dikke ATC 's liggen van 470 NF...
Oscillator op 9.250, fet buffer, bc556/540, BD 139/140, 4 X IRF 150, Bridged Classe D
Fet PA driver trafo 1:1 15 Volt PP in / out, 3 X 180 uH.
Output trafo: 1:4 resp. 8 / 79 uH.
Kristal oscillator met 9.216 mHz. Keitje.. Had geen andere in de buurt van 10 mHz.
Met de potmeter stel ik de duty cycle in op 40 / 60 van de Fet buffertrap.
Torretjes, verzonken in printplaat en dienen nu ook als soldeer steun..
Gate drive under load... 15 V en nog wat PP
Drain output 60 v PP, behoorlijk schoon, 3e en 5e zijn zichtbaar maar niet overheersend.
Bedoeling ligt om er op de 30 /31 en de 48 / 49 mtr eens flink mee te gaan toeteren.. :woohoo:
Het in een Briged Classe D met 2 X 2 Fet's parallel.
Heb een watt of 50 op Dummy, uit 4 IRF 510 Fetjes.. komt ongeveer 55 Watt uit de voeding..
Ondanks dat het op 9.2 mHz. zit toch nog goed rendement met de Fetjes...
Ontwerp wat ik in mijn hoofd had uitgewerkt en werkt naar behoren... Gelukkig..
Ga met een blok de PA in en heb weinig warmte, moet alles nog exact nameten, maar Dummy wordt warmer dan het koelblok..
Kan er alle kanten mee uit, kan nog een dikkere Fet eindtrap trap achter of een buisje aansturen...
Ken het ontkoppeling probleem, had vandaag een block c die droog de goeie waarde aangaf, alleen in mijn nieuwe 10 Mhz ontwerp had ik opeens maar de halve output...
Maar had nog een paar dikke ATC 's liggen van 470 NF...
Oscillator op 9.250, fet buffer, bc556/540, BD 139/140, 4 X IRF 150, Bridged Classe D
Fet PA driver trafo 1:1 15 Volt PP in / out, 3 X 180 uH.
Output trafo: 1:4 resp. 8 / 79 uH.
Kristal oscillator met 9.216 mHz. Keitje.. Had geen andere in de buurt van 10 mHz.
Met de potmeter stel ik de duty cycle in op 40 / 60 van de Fet buffertrap.
Torretjes, verzonken in printplaat en dienen nu ook als soldeer steun..
Gate drive under load... 15 V en nog wat PP
Drain output 60 v PP, behoorlijk schoon, 3e en 5e zijn zichtbaar maar niet overheersend.
Soldeertin is niets anders dan elektronische lijm.
Laatst bewerkt 17 jan 2016 20:44 door buisje.
Graag Inloggen of een account aanmaken deelnemen aan het gesprek.