- Berichten: 7697
Hi-Q apparatuur
Vraag over EF86 voorversterker in B7X73A
22 apr 2021 00:24 #90056
door Bert Kn
Mvg.
Bert
Beantwoord door Bert Kn in topic Vaag over EF86 voorversterker in B7X73A
Hoi Jan,
Daar bedoel ik mee dat het volume van de AG9004 erg ver open gedraaid moet worden voor normaal huiskamer volume.
Klankmatig klopt het wel.
Zoals eerder omschreven merk ik met het Pickering NP/AC ook dat bij dit element met 10 mV output de volumeknop niet zo extreem als bij de M3D verder open moet ten opzichte van het AG3401 element.
Daar bedoel ik mee dat het volume van de AG9004 erg ver open gedraaid moet worden voor normaal huiskamer volume.
Klankmatig klopt het wel.
Zoals eerder omschreven merk ik met het Pickering NP/AC ook dat bij dit element met 10 mV output de volumeknop niet zo extreem als bij de M3D verder open moet ten opzichte van het AG3401 element.
Mvg.
Bert
Graag Inloggen of een account aanmaken deelnemen aan het gesprek.
22 apr 2021 00:00 #90055
door Jan Bus
Beantwoord door Jan Bus in topic Vaag over EF86 voorversterker in B7X73A
Hallo Bert,
Even een vraag: Wat bedoel je met een mager resultaat voor de Shure M3D? Kun je dat wat beter uitleggen? Er spelen meer factoren mee dan alleen de spanningsafgifte van een element.
Mvg Jan
Even een vraag: Wat bedoel je met een mager resultaat voor de Shure M3D? Kun je dat wat beter uitleggen? Er spelen meer factoren mee dan alleen de spanningsafgifte van een element.
Mvg Jan
Graag Inloggen of een account aanmaken deelnemen aan het gesprek.
21 apr 2021 23:23 - 21 apr 2021 23:24 #90054
door Huub
Beantwoord door Huub in topic Vaag over EF86 voorversterker in B7X73A
Ik zie het ook bert de potmeter instellingen
denk toch dat de ECC 83 sterker is ingesteld meer afgiften
dan behoeft ook de vv. EF 86 niet zo veel te doen
denk ik zo dat het verschil daar mee van doen heeft
dat is beter ook .met de AG versterker
huub
denk toch dat de ECC 83 sterker is ingesteld meer afgiften
dan behoeft ook de vv. EF 86 niet zo veel te doen
denk ik zo dat het verschil daar mee van doen heeft
dat is beter ook .met de AG versterker
huub
Laatst bewerkt 21 apr 2021 23:24 door Huub.
Graag Inloggen of een account aanmaken deelnemen aan het gesprek.
21 apr 2021 22:25 #90053
door Bert Kn
Mvg.
Bert
Beantwoord door Bert Kn in topic Vaag over EF86 voorversterker in B7X73A
Hoi René,
Je hebt gelijk, heb het in de Shure brochures opgezocht.
De info op John's Radio Web klopt dus niet.
Wat ik desondanks toch vreemd blijf vinden is dat ook een Pickering NP/AC element met een output van 10 mV ook een stuk magerder op de AG9004 klinkt dan het AG3401 element.
Je hebt gelijk, heb het in de Shure brochures opgezocht.
De info op John's Radio Web klopt dus niet.
Wat ik desondanks toch vreemd blijf vinden is dat ook een Pickering NP/AC element met een output van 10 mV ook een stuk magerder op de AG9004 klinkt dan het AG3401 element.
Mvg.
Bert
De volgende gebruiker (s) zei dank u: RR1957
Graag Inloggen of een account aanmaken deelnemen aan het gesprek.
21 apr 2021 21:55 #90051
door RR1957
Hoi Bert.
De M3D eerste versie geeft 5 mV en de tweede versie 4 mV.
Vriendelijke groet, RenéR
Als je naald maar goed is
Beantwoord door RR1957 in topic Vaag over EF86 voorversterker in B7X73A
Wat ik vreemd vind is het volgende en wie kan mij verklaren waarom?
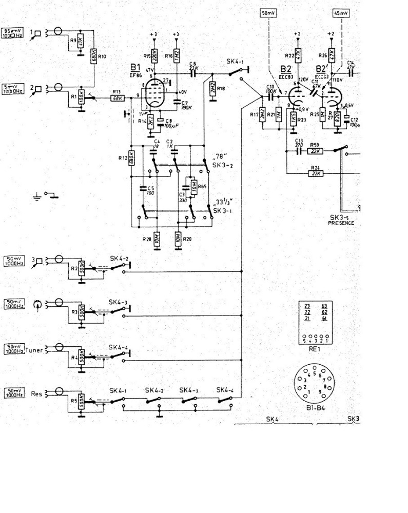
De AG9004 heeft op de MD ingang met zijn EF86 een gevoeligheid van ongeveer 5,5 mV volgens de specs.
Het Shure M3D element levert met een goede naald ongeveer 7,5 mV en het AG3401 element van Philips 7mV.
Vreemd genoeg presteert het M3D element met goede NOS naald magertjes op deze VV terwijl het Philips AG3401 element uitstekend presteert.
Hoi Bert.
De M3D eerste versie geeft 5 mV en de tweede versie 4 mV.
Vriendelijke groet, RenéR
Als je naald maar goed is
Graag Inloggen of een account aanmaken deelnemen aan het gesprek.
21 apr 2021 21:42 - 21 apr 2021 21:51 #90050
door Bert Kn
Mvg.
Bert
Beantwoord door Bert Kn in topic Vaag over EF86 voorversterker in B7X73A
hoe zijn de verderen aansluitingen veel aangepast met weerstanden ?\
bvb tunner kristal pu . band rec
Huub,
Het enige verschil tussen de MD ingang en de overige ingangen is het volgende.
De instel potmeter voor de gevoeligheid per ingang is bij de MD ingang 100K.
En bij de overige ingangen 500K.
bvb tunner kristal pu . band rec
Huub,
Het enige verschil tussen de MD ingang en de overige ingangen is het volgende.
De instel potmeter voor de gevoeligheid per ingang is bij de MD ingang 100K.
En bij de overige ingangen 500K.
Mvg.
Bert
Laatst bewerkt 21 apr 2021 21:51 door Bert Kn.
Graag Inloggen of een account aanmaken deelnemen aan het gesprek.