- Berichten: 8920
Hi-Q apparatuur
Vraag over EF86 voorversterker in B7X73A
22 apr 2021 16:45 #90084
door Huub
Beantwoord door Huub in topic Vraag over EF86 voorversterker in B7X73A
Dan is het ook beter om er een master volumen
potmeter op te maken om de versterking in te stellen
anders krijgt men over sturing
dan kan men ook wel zo,n koop versterkerje gebruiken
met de twee buizen daar zit ook ales op
en compact gemaakt
huub
potmeter op te maken om de versterking in te stellen
anders krijgt men over sturing
dan kan men ook wel zo,n koop versterkerje gebruiken
met de twee buizen daar zit ook ales op
en compact gemaakt
huub
Graag Inloggen of een account aanmaken deelnemen aan het gesprek.
22 apr 2021 16:00 #90083
door Bert Kn
Mvg.
Bert
Beantwoord door Bert Kn in topic Vraag over EF86 voorversterker in B7X73A
Ik zou de Shure niet maken met een buis ECC 83
Gezien dat de versterking per stereo kanaal
maar een helft is van de Ecc 83 dat is ook niet
veel versterking
Huub,
Deze heeft genoeg versterking.
De bedoeling is de uitgang van deze op de MD ingang van de 7X73A aan te sluiten.
Gezien dat de versterking per stereo kanaal
maar een helft is van de Ecc 83 dat is ook niet
veel versterking
Huub,
Deze heeft genoeg versterking.
De bedoeling is de uitgang van deze op de MD ingang van de 7X73A aan te sluiten.
Mvg.
Bert
Graag Inloggen of een account aanmaken deelnemen aan het gesprek.
22 apr 2021 15:54 - 22 apr 2021 16:01 #90082
door Huub
Beantwoord door Huub in topic Vraag over EF86 voorversterker in B7X73A
Ik zou de Shure niet maken met een buis ECC 83
Gezien dat de versterking per stereo kanaal
en het geeft ook meer last van Overspraak tussen de kanalen
je dat maakt de stop weerstand uit in de voeding per buis helft
maar een helft is van de Ecc 83 dat is ook niet
veel versterking Beter is ook met riaa en de twee
helftjes op een lage versterking anders krijgt met
toch weer het EF 86 effect dan veranderd er niks
men kan het ook eest op een los schassis maken
en dan horen of het zo beter bevalt dan sloopt men
ook niks aan het toestel gewoon met een los voedingtje
van bvb een sloop koffer buizen pU .
of de stromen halen met een kabeltje van uit het toestel
Voor stereo gebruik vind ik twee buizen het besten ook de versterking
een buis per kant
huub
Gezien dat de versterking per stereo kanaal
en het geeft ook meer last van Overspraak tussen de kanalen
je dat maakt de stop weerstand uit in de voeding per buis helft
maar een helft is van de Ecc 83 dat is ook niet
veel versterking Beter is ook met riaa en de twee
helftjes op een lage versterking anders krijgt met
toch weer het EF 86 effect dan veranderd er niks
men kan het ook eest op een los schassis maken
en dan horen of het zo beter bevalt dan sloopt men
ook niks aan het toestel gewoon met een los voedingtje
van bvb een sloop koffer buizen pU .
of de stromen halen met een kabeltje van uit het toestel
Voor stereo gebruik vind ik twee buizen het besten ook de versterking
een buis per kant
huub
Laatst bewerkt 22 apr 2021 16:01 door Huub.
Graag Inloggen of een account aanmaken deelnemen aan het gesprek.
- Cees PA1DBA
- [Cees PA1DBA]
-
- Offline
- Cees
Minder
Meer
- Berichten: 2957
22 apr 2021 15:29 #90081
door Cees PA1DBA
Cees- pa1dba
Beantwoord door Cees PA1DBA in topic Vraag over EF86 voorversterker in B7X73A
Eerder vermelde ik dat een EC92 een halve ECC83 was.
Helaas was dat niet waar de EC92 is een halve ECC81 en zodoende niet geschikt voor deze toepassing.
Helaas was dat niet waar de EC92 is een halve ECC81 en zodoende niet geschikt voor deze toepassing.
Cees- pa1dba
Graag Inloggen of een account aanmaken deelnemen aan het gesprek.
22 apr 2021 15:19 #90080
door Bert Kn
Mvg.
Bert
Beantwoord door Bert Kn in topic Vraag over EF86 voorversterker in B7X73A
Eerder schreef Paul dit.
Zowel voor de stand Xtal als de stand Dyn zou een verdubbeling van de signaalsterkte prima zijn. Xtal oud is 500mV repro Keramisch 200mV.
Volgens mij klopt je verhaal niet helemaal.
Zover ik weet zitten de oude Philips elementen rond de 100 a 120 mV.
De gp235 een mono vervang element voor de AG3016 ook geschikt om stereo mee af te spelen zit wat hoger meen rond de 200 mV.
Met dat laatste element kon ik uitstekend uit de voeten op de B7X73A.
Een en ander kun je terugvinden op Johns radio web.
Zowel voor de stand Xtal als de stand Dyn zou een verdubbeling van de signaalsterkte prima zijn. Xtal oud is 500mV repro Keramisch 200mV.
Volgens mij klopt je verhaal niet helemaal.
Zover ik weet zitten de oude Philips elementen rond de 100 a 120 mV.
De gp235 een mono vervang element voor de AG3016 ook geschikt om stereo mee af te spelen zit wat hoger meen rond de 200 mV.
Met dat laatste element kon ik uitstekend uit de voeten op de B7X73A.
Een en ander kun je terugvinden op Johns radio web.
Mvg.
Bert
Graag Inloggen of een account aanmaken deelnemen aan het gesprek.
- Cees PA1DBA
- [Cees PA1DBA]
-
- Offline
- Cees
Minder
Meer
- Berichten: 2957
22 apr 2021 14:07 - 22 apr 2021 14:11 #90079
door Cees PA1DBA
Cees- pa1dba
Beantwoord door Cees PA1DBA in topic Vraag over EF86 voorversterker in B7X73A
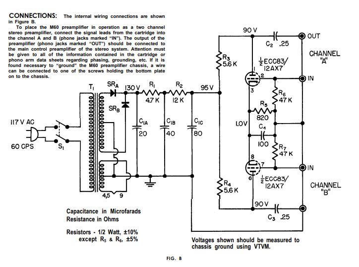
Shure (M60) had een oplossing voor het probleem van dit topic:
Een rechte versterker van 5mV naar 35mV (dus geen Riaa correctie)
Mono kan je bouwen met 1 EC92 in een blikje tussen je radio en platenspeler. voedingspanning haal je uit je radio
Een rechte versterker van 5mV naar 35mV (dus geen Riaa correctie)
Mono kan je bouwen met 1 EC92 in een blikje tussen je radio en platenspeler. voedingspanning haal je uit je radio
Cees- pa1dba
Laatst bewerkt 22 apr 2021 14:11 door Cees PA1DBA.
Graag Inloggen of een account aanmaken deelnemen aan het gesprek.