- Berichten: 3849
Zelfbouw
Radford Phase Splitter
07 jul 2017 06:46 #67729
door PE9ZZ
Tjerk, 9ZZ
Beantwoord door PE9ZZ in topic Radford Phase Splitter
Ja, zo kan je ook aan je uitstuurruimte komen...
Tjerk, 9ZZ
Graag Inloggen of een account aanmaken deelnemen aan het gesprek.
- Cees PA1DBA
- [Cees PA1DBA]
-
- Offline
- Cees
Minder
Meer
- Berichten: 2955
06 jul 2017 19:55 #67721
door Cees PA1DBA
Cees- pa1dba
Beantwoord door Cees PA1DBA in topic Radford Phase Splitter
@Tjerk ,
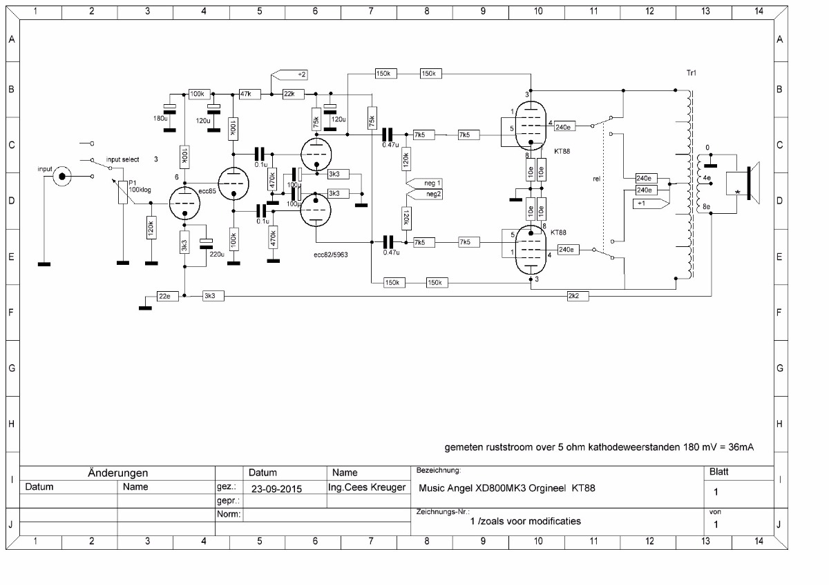
Hier even een voorbeeld van Chinese interpretatie van een KT88 eindtrap,
de Music Angel , te zien in de avatar van Huub.
Buiten de onder bemeten voedingstrafo's met spanningsverdubbeling hierbij het schema,
zoals aangetroffen in een ongemodde uitvoering:
Hier even een voorbeeld van Chinese interpretatie van een KT88 eindtrap,
de Music Angel , te zien in de avatar van Huub.
Buiten de onder bemeten voedingstrafo's met spanningsverdubbeling hierbij het schema,
zoals aangetroffen in een ongemodde uitvoering:
Cees- pa1dba
Graag Inloggen of een account aanmaken deelnemen aan het gesprek.
05 jul 2017 11:38 #67700
door Roel
Beantwoord door Roel in topic Radford Phase Splitter
Een sim verhoudt zich tot een echte schakeling als de politieke peilingen tot de echte verkiezingen: vaak klopt het vrij aardig maar soms levert het zeer onverwachte zaken op.. :woohoo:
Graag Inloggen of een account aanmaken deelnemen aan het gesprek.
03 jul 2017 21:13 - 03 jul 2017 21:15 #67678
door PE9ZZ
Tjerk, 9ZZ
Beantwoord door PE9ZZ in topic Radford Phase Splitter
Het mooie is dat alle weerstanden veel minder dan 1 W dissiperen. Heleboel kunnen gewoon SFR25 (1/4 W) metaalfilm worden. Alleen R2, R3, R4, R6 en R9 verstoken teveel en moeten 1 W types zijn.
Intussen nog een paar screenshots gemaakt van m'n scoop:
Bovenste twee plaatjes zijn 50 V/div (DC) en 0.2 ms/div, onderste plaatje is 20 Vpp (AC) en 10 us/div met blokgolf in. Die overshoot had-ie eerst niet maar is te temmen door RC (Zobel) netwerkje over R2. C2 moet wat groter want de blok bij 100 Hz is nogal scheef.
@Huub: knal eens wat in "Aangeboden" . Ben op zoek naar NIB PCF80 en PF86, liefst Philips.
Intussen nog een paar screenshots gemaakt van m'n scoop:
Bovenste twee plaatjes zijn 50 V/div (DC) en 0.2 ms/div, onderste plaatje is 20 Vpp (AC) en 10 us/div met blokgolf in. Die overshoot had-ie eerst niet maar is te temmen door RC (Zobel) netwerkje over R2. C2 moet wat groter want de blok bij 100 Hz is nogal scheef.
@Huub: knal eens wat in "Aangeboden" . Ben op zoek naar NIB PCF80 en PF86, liefst Philips.
Tjerk, 9ZZ
Laatst bewerkt 03 jul 2017 21:15 door PE9ZZ.
Graag Inloggen of een account aanmaken deelnemen aan het gesprek.
03 jul 2017 20:02 - 03 jul 2017 20:03 #67677
door Huub
Beantwoord door Huub in topic Radford Phase Splitter
ik heb nog een behoorlijk aantal nieuw PCF,s
siemens in doos moet ze nog tellen
wil ze wel verkopen liefst in een .
ECF 80 ook nieuw denk 6.
huub
siemens in doos moet ze nog tellen
wil ze wel verkopen liefst in een .
ECF 80 ook nieuw denk 6.
huub
Laatst bewerkt 03 jul 2017 20:03 door Huub.
Graag Inloggen of een account aanmaken deelnemen aan het gesprek.
03 jul 2017 18:29 - 03 jul 2017 18:32 #67676
door PE9ZZ
Tjerk, 9ZZ
Beantwoord door PE9ZZ in topic Radford Phase Splitter
Oh ja, om de boel gelijk te krijgen een extra spanningsdeler op de triode. Dit werkt heel mooi voor de PCF80 omdat die een wat andere karakteristiek heeft dan de ECF82. Daarvan heb ik er maar drie (en drie stuks PCF82). Van de PCF80 heb ik er dik honderd ofzo. Allemaal gebruikt natuurlijk.
Andere observatie: in de sim is de triode een stuk lager dan de pentode:
Met het blauwe instellertje is het spanningsverschil precies te nullen op 234 V.
Nog een observatie: de pentode trekt geen roosterstroom meer en de instelling verandert ook niet met de sturing. Da's goed nieuws!
Andere observatie: in de sim is de triode een stuk lager dan de pentode:
Met het blauwe instellertje is het spanningsverschil precies te nullen op 234 V.
Nog een observatie: de pentode trekt geen roosterstroom meer en de instelling verandert ook niet met de sturing. Da's goed nieuws!
Tjerk, 9ZZ
Laatst bewerkt 03 jul 2017 18:32 door PE9ZZ.
Graag Inloggen of een account aanmaken deelnemen aan het gesprek.