- Berichten: 1084
Zelfbouw
PCL86 Balansversterker?
21 jun 2016 21:16 #61239
door thijs
Zowel voor een haas als voor een vogeltje in een koekkoeksklok is het gelijk dierendag!
Beantwoord door thijs in topic PCL86 Balansversterker?
Inderdaad, zo kwetsbaar en teer zijn de ECL-86 niet.
Ik heb een Rogers HG-88MK2 , een dijk van een versterker met een zeer fraaie weergave.(zitten Philips mosterd condensatoren in) 4X ECL-86
Ik heb ook een Armstrong 222 met ook als eindbuizen 4X ECL-86 speelt als een tierelier.
Bij beiden nog met de originele Mullard eindbuizen erin. Getest tussen de 80 en 90% in.
Dus de teerheid valt wel mee.
Meer problematisch zijn de ELL-80 en de ECLL-800
Thijs
Thijs
Ik heb een Rogers HG-88MK2 , een dijk van een versterker met een zeer fraaie weergave.(zitten Philips mosterd condensatoren in) 4X ECL-86
Ik heb ook een Armstrong 222 met ook als eindbuizen 4X ECL-86 speelt als een tierelier.
Bij beiden nog met de originele Mullard eindbuizen erin. Getest tussen de 80 en 90% in.
Dus de teerheid valt wel mee.
Meer problematisch zijn de ELL-80 en de ECLL-800
Thijs
Thijs
Zowel voor een haas als voor een vogeltje in een koekkoeksklok is het gelijk dierendag!
Graag Inloggen of een account aanmaken deelnemen aan het gesprek.
21 jun 2016 18:59 #61238
door Rijk
Beantwoord door Rijk in topic PCL86 Balansversterker?
Hoi Tjerk,
Tafel 25 en 26 op de beurs F.J.M.van Houtert voor de versterker.
Wat de ECL 86 buisjes betreft heb ik hier ook geen slechte ervaringen mee, heb er diverse versterkers mee gehad.
Ben nu met een Rogers 88 MK3 bezig hier zitten er ook 2 per kant in de versterker, speelt echt goed.
Vervelender zijn de voor buizen ECC807, als iemand er nog wat heeft houd ik me aanbevolen.
Tafel 25 en 26 op de beurs F.J.M.van Houtert voor de versterker.
Wat de ECL 86 buisjes betreft heb ik hier ook geen slechte ervaringen mee, heb er diverse versterkers mee gehad.
Ben nu met een Rogers 88 MK3 bezig hier zitten er ook 2 per kant in de versterker, speelt echt goed.
Vervelender zijn de voor buizen ECC807, als iemand er nog wat heeft houd ik me aanbevolen.
De volgende gebruiker (s) zei dank u: PE9ZZ
Graag Inloggen of een account aanmaken deelnemen aan het gesprek.
21 jun 2016 16:45 - 21 jun 2016 16:46 #61234
door PE9ZZ
Tjerk, 9ZZ
Beantwoord door PE9ZZ in topic PCL86 Balansversterker?
Nou, zo teer en kwets zijn ze ook weer niet. Mijn inventaris aan gebruikte PCL86 (stuk of tien) was nog heel aardig in de uTracer. En het is natuurlijk wel kicken om met slechts twee buizen dezelfde resultaten te boeken als met drie. Zal nog wel effe onderzoeken of de slechte prestaties bij clipping wat beter kan. Denk aan een diode aan het rooster van de bovenste pentode. Geheimtipp: bij Conrad zijn ze een stuk goeiekoper dan op e-FUCKEN-bay! Snel wat inslaan :lol:
Overigens was de oorspronkelijke vraag wie de verkoper op de beurs in Driebergen nu is. Die met die nixies en VFD's.
Overigens was de oorspronkelijke vraag wie de verkoper op de beurs in Driebergen nu is. Die met die nixies en VFD's.
Tjerk, 9ZZ
Laatst bewerkt 21 jun 2016 16:46 door PE9ZZ. Reden: Emoji
Graag Inloggen of een account aanmaken deelnemen aan het gesprek.
21 jun 2016 14:01 #61230
door Cees
Beantwoord door Cees in topic PCL86 Balansversterker?
Tja, die dubbele buisjes met triode en eind penthode in één ballon...
Het kan ook best wel goed klinken, maar deze buisjes ECL of PCL
zijn gauw versleten en erg teer. Veel voorkomend euvel zijn losse
contacten in deze buisjes.
Wel lekker goedkoop voor de fabriek die ze in TV's, radio's en versterkers
toe past.
Ik heb vele jaren geleden een versterker gehad, merk Filson.
Koninginnedag koopje F1,50.
Voor mij een onbekend (Frans?) merk.
Na vervanging van de 4 ECL86 buisjes, klonk dat ding wonderbaarlijk goed.
Zette best een stevig geluid neer.
De eind penthodes stonden UL geschakeld. Er zaten mooie UL UGT's in.
De voeding was wat krap bemeten en die versterker werd erg warm.
Al met al, was het best een goed versterkertje met een goed geluid,
maar helaas tere ECL86 buisjes.
Zat een hele mooie goede toon regeling schakeling in en een MD
voor versterker.En een monitor schakeling. Niks mis mee, alleen die ECL buisjes....
Beter, maar wat duurder is ECC83 en EL84 gebruiken.
Cees.
Het kan ook best wel goed klinken, maar deze buisjes ECL of PCL
zijn gauw versleten en erg teer. Veel voorkomend euvel zijn losse
contacten in deze buisjes.
Wel lekker goedkoop voor de fabriek die ze in TV's, radio's en versterkers
toe past.
Ik heb vele jaren geleden een versterker gehad, merk Filson.
Koninginnedag koopje F1,50.
Voor mij een onbekend (Frans?) merk.
Na vervanging van de 4 ECL86 buisjes, klonk dat ding wonderbaarlijk goed.
Zette best een stevig geluid neer.
De eind penthodes stonden UL geschakeld. Er zaten mooie UL UGT's in.
De voeding was wat krap bemeten en die versterker werd erg warm.
Al met al, was het best een goed versterkertje met een goed geluid,
maar helaas tere ECL86 buisjes.
Zat een hele mooie goede toon regeling schakeling in en een MD
voor versterker.En een monitor schakeling. Niks mis mee, alleen die ECL buisjes....
Beter, maar wat duurder is ECC83 en EL84 gebruiken.
Cees.
Graag Inloggen of een account aanmaken deelnemen aan het gesprek.
21 jun 2016 12:42 #61229
door PE9ZZ
Tjerk, 9ZZ
Beantwoord door PE9ZZ in topic PCL86 Balansversterker?
Ik weet het alweer, het was van een Hacker Mayflower RV20:
Daar had ik een kloon van gemaakt:
Ik was niet echt onder de indruk van het gedrag bij overbelasting omdat de ene eindpentode roosterstroom gaat trekken en daarmee de andere pentode over de zeik brengt. Verder niet dramatisch maar wel gruwelijk om aan te horen...
Daar had ik een kloon van gemaakt:
Ik was niet echt onder de indruk van het gedrag bij overbelasting omdat de ene eindpentode roosterstroom gaat trekken en daarmee de andere pentode over de zeik brengt. Verder niet dramatisch maar wel gruwelijk om aan te horen...
Tjerk, 9ZZ
Graag Inloggen of een account aanmaken deelnemen aan het gesprek.
21 jun 2016 11:35 #61228
door PE9ZZ
Tjerk, 9ZZ
PCL86 Balansversterker? werd gestart door PE9ZZ
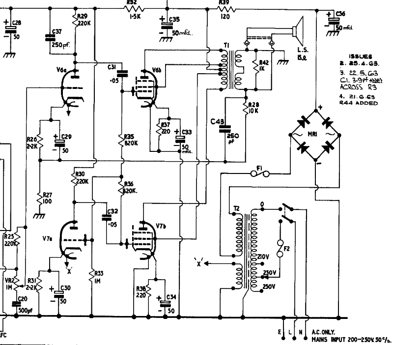
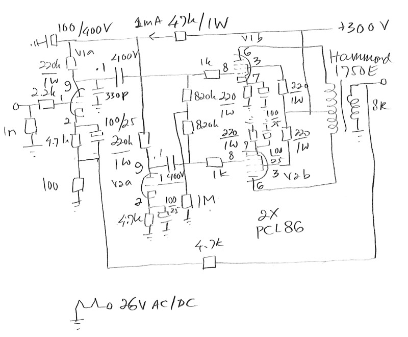
Op de beurs afgelopen zaterdag werd een (ik neem aan) bouwpakket voor een stereo balansversterker met vier keer PCL86 aangeboden, zie Piet's foto
hierrrrrr
. Waar komt deze kit toch vandaan? Als die inderdaad 109 euri kost is dat geen slechte prijs. Tijdens de beurs had ik geen interesse omdat ik zelf ook aleens een dergelijk ontwerp had gemaakt (met Hammond trafo). Gebaseerd op Marconi schema. Moet eigenlijk nogeens een verhaaltje maken daarover...
Tjerk, 9ZZ
Graag Inloggen of een account aanmaken deelnemen aan het gesprek.