- Berichten: 4349
Algemeen
Magische ogen in ogenschouw
15 apr 2013 22:50 #31005
door Cees
Beantwoord door Cees in topic Oogbespaarder concept 1
Klaas,
Top! Dat is een mooi begin.Waar een bak met onderdelen al niet goed voor is.
Dat relais dat 30 Amp! kan schakelen, zou dan in de praktijk kunnen
worden vervangen door een heel klein mini relais.
En wie weet, kan het ook nog wel eenvoudiger.
Word het printje nog kleiner.
En wellicht hebben anderen ook nog wat ideeën hierover.
Dus bij deze: Graag reacties, zijn welkom.
Succes met het verder uitwerken van de "oogbespaarder".
Vr gr Cees.
Top! Dat is een mooi begin.Waar een bak met onderdelen al niet goed voor is.
Dat relais dat 30 Amp! kan schakelen, zou dan in de praktijk kunnen
worden vervangen door een heel klein mini relais.
En wie weet, kan het ook nog wel eenvoudiger.
Word het printje nog kleiner.
En wellicht hebben anderen ook nog wat ideeën hierover.
Dus bij deze: Graag reacties, zijn welkom.
Succes met het verder uitwerken van de "oogbespaarder".
Vr gr Cees.
Graag Inloggen of een account aanmaken deelnemen aan het gesprek.
15 apr 2013 13:08 - 15 apr 2013 13:11 #30991
door klaas
Beantwoord door klaas in topic Oogbespaarder concept 1
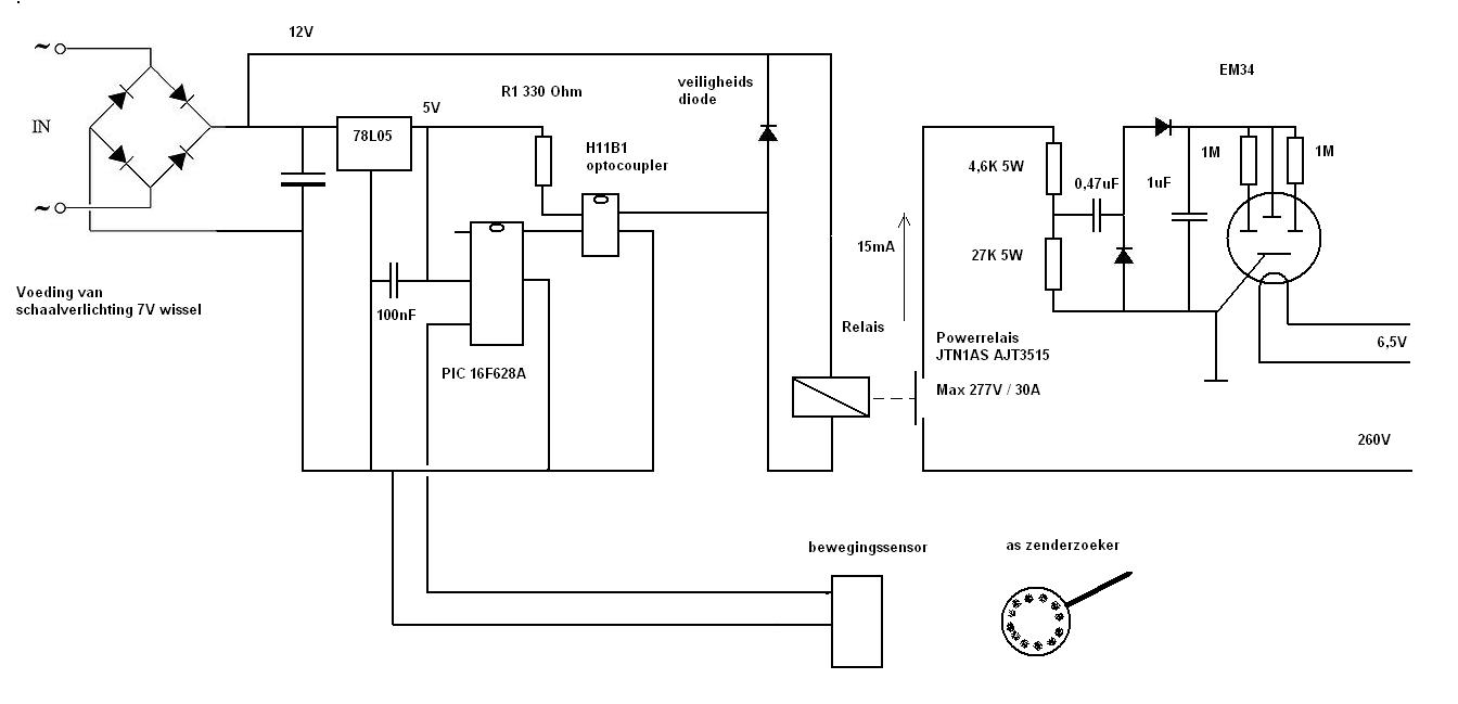
Bij deze een eerste concept Oogbespaarder. Wel heb ik rekening gehouden met materialen die in mijn eigen schappen beschikbaar zijn. Ik kan me voorstellen dat het genoemde relais niet zo snel te vinden is voor iedereen.
Het leuke van deze schakeling is dat middels de PIC microcontroller prima het gedrag van de schakeling, zoals de oplichttijd ec, te programmeren is.
De optocoupler zorgt voor een veilige scheiding tussen PIC microcontroller en de meer heftige schakelstromen op het 12V relais.
Ik ga dit binnenkort bouwen op een test printje, en zal het op dit forum publiceren.
Gr, Klaas

Het leuke van deze schakeling is dat middels de PIC microcontroller prima het gedrag van de schakeling, zoals de oplichttijd ec, te programmeren is.
De optocoupler zorgt voor een veilige scheiding tussen PIC microcontroller en de meer heftige schakelstromen op het 12V relais.
Ik ga dit binnenkort bouwen op een test printje, en zal het op dit forum publiceren.
Gr, Klaas
Laatst bewerkt 15 apr 2013 13:11 door klaas.
Graag Inloggen of een account aanmaken deelnemen aan het gesprek.
10 apr 2013 22:43 - 10 apr 2013 22:49 #30808
door Cees
Beantwoord door Cees in topic Magische ogen in ogenschouw
Beweging melder? Dat zou best eens een goed idee kunnen zijn.
Als die reageert op de beweging van de afstem as en het relais in schakelt.
Op de afstem as een rond schijfje, met op de omtrek zwart witte vlakjes maken,
zodat de beweging melder daar op reageert.
Het uitschakelen moet vertraagt gebeuren b.v na ca 30 sec.
Het oog kan gewoon zijn gloei continu blijven houden want er moet dan voor
gezorgd worden dat de emissie op een klein pitje blijft.
Dat zou dan kunnen door de schakel contacten van het relais te overbruggen met een
R van hoge waarde. Het oog blijft dan "stand by", maar licht niet op.
Vr gr Cees.
P.S: Nou nog een goede techneut die het in de praktijk verder wil en kan uitwerken.
Als die reageert op de beweging van de afstem as en het relais in schakelt.
Op de afstem as een rond schijfje, met op de omtrek zwart witte vlakjes maken,
zodat de beweging melder daar op reageert.
Het uitschakelen moet vertraagt gebeuren b.v na ca 30 sec.
Het oog kan gewoon zijn gloei continu blijven houden want er moet dan voor
gezorgd worden dat de emissie op een klein pitje blijft.
Dat zou dan kunnen door de schakel contacten van het relais te overbruggen met een
R van hoge waarde. Het oog blijft dan "stand by", maar licht niet op.
Vr gr Cees.
P.S: Nou nog een goede techneut die het in de praktijk verder wil en kan uitwerken.
Laatst bewerkt 10 apr 2013 22:49 door Cees. Reden: Nog tekst er bij geschreven.
Graag Inloggen of een account aanmaken deelnemen aan het gesprek.
09 apr 2013 23:09 #30765
door Cees
Beantwoord door Cees in topic Magische ogen in ogenschouw
Achim,
Daar kan ik geheel mee instemmen.
Het oogje moet op zijn minst origineel lijken.
Dus een gelijkende vervanger o.k, maar ledjes in een oud oog stoppen?
Het lijkt er in de verste verte niet op. Dan maar beter niets en op
gehoor afstemmen.
En dan, wanneer kijken we naar een afstem oog?
Hoofdzakelijk als we afstemmen.
Als dat eenmaal gebeurd is kijk er niet meer naar, maar ben ik radio luisteraar.
Vandaar mijn idee van de "oog bespaarder" , zodat de spaarzame duur geworden
oogjes langer goed blijven.
Vr gr Cees.
Daar kan ik geheel mee instemmen.
Het oogje moet op zijn minst origineel lijken.
Dus een gelijkende vervanger o.k, maar ledjes in een oud oog stoppen?
Het lijkt er in de verste verte niet op. Dan maar beter niets en op
gehoor afstemmen.
En dan, wanneer kijken we naar een afstem oog?
Hoofdzakelijk als we afstemmen.
Als dat eenmaal gebeurd is kijk er niet meer naar, maar ben ik radio luisteraar.
Vandaar mijn idee van de "oog bespaarder" , zodat de spaarzame duur geworden
oogjes langer goed blijven.
Vr gr Cees.
De volgende gebruiker (s) zei dank u: magic-eye
Graag Inloggen of een account aanmaken deelnemen aan het gesprek.
09 apr 2013 13:51 #30738
door magic-eye
Beantwoord door magic-eye in topic Magische ogen in ogenschouw
Hoi Ben
Mooi gezicht voor bv in moderne versterkers :thumbsup: maar niet in een oude radio
daar hoort een echt oog in ...
Verder moet een ieder zijn keus daar maar in maken geen probleem
een repro doekje of een knopje enz die niet van echt te onderscheiden is
maar ledjes in een radio uit bv 1940 no way ...
Dan liever een 6e5c of een 1629 aanpassen
:thumbsup:
Mooi gezicht voor bv in moderne versterkers :thumbsup: maar niet in een oude radio
daar hoort een echt oog in ...
Verder moet een ieder zijn keus daar maar in maken geen probleem
een repro doekje of een knopje enz die niet van echt te onderscheiden is
maar ledjes in een radio uit bv 1940 no way ...
Dan liever een 6e5c of een 1629 aanpassen
:thumbsup:
Graag Inloggen of een account aanmaken deelnemen aan het gesprek.
09 apr 2013 11:51 #30733
door Ben
Tussen positief en negatief zit soms een donderklap.
Beantwoord door Ben in topic Magische ogen in ogenschouw
Zelfs ledjes, niet mijn keus [dat gaat namelijk te ver]
Och Achim, als men de truccendoos gaat openen om van het bestaande oog nog iets te maken en/of daar allerlei moderne besparings elektronica voor wil gaan inbouwen dan is de led oplossing zo gek nog niet.
Je hoeft alleen de buis te verwisselen, hij ‘slijt’ niet en het verschil is niet zo heel groot meer.
13 april kom ik naar Driebergen en zal er (bij belangstelling) een paar laten zien en hoop dan op reactie’s ter verbetering.
Groet, Ben
Och Achim, als men de truccendoos gaat openen om van het bestaande oog nog iets te maken en/of daar allerlei moderne besparings elektronica voor wil gaan inbouwen dan is de led oplossing zo gek nog niet.
Je hoeft alleen de buis te verwisselen, hij ‘slijt’ niet en het verschil is niet zo heel groot meer.
13 april kom ik naar Driebergen en zal er (bij belangstelling) een paar laten zien en hoop dan op reactie’s ter verbetering.
Groet, Ben
Tussen positief en negatief zit soms een donderklap.
De volgende gebruiker (s) zei dank u: maarten
Graag Inloggen of een account aanmaken deelnemen aan het gesprek.