- Berichten: 165
Algemeen
10/15 Watt OTL
05 apr 2013 20:17 - 05 apr 2013 20:17 #30520
door robot797
Beantwoord door robot797 in topic 10/15 Watt OTL
Laatst bewerkt 05 apr 2013 20:17 door robot797.
Graag Inloggen of een account aanmaken deelnemen aan het gesprek.
05 apr 2013 16:42 - 05 apr 2013 16:43 #30513
door Huub
Beantwoord door Huub in topic 10/15 Watt OTL
Rene dat geeft het wel met MFB boxen philips
En dat klinkt ook voortreffelijk goed .
Maar dat zijn ook wel de groten typens .
Dus bij philips is er WEL aangedacht .Huub
En dat klinkt ook voortreffelijk goed .
Maar dat zijn ook wel de groten typens .
Dus bij philips is er WEL aangedacht .Huub
Laatst bewerkt 05 apr 2013 16:43 door Huub.
Graag Inloggen of een account aanmaken deelnemen aan het gesprek.
05 apr 2013 16:11 #30511
door Rene Daemen
René Daemen
Beantwoord door Rene Daemen in topic 10/15 Watt OTL
Even een Vraag
is het niet mogelijk met 3 versterkers te werken
1 voor het hoog en 1 voor het midden en 1 voor laag
misschien ook mogelijk als OTL
kan best zijn dat ik volledig mis heb
Mvg René Daemen
is het niet mogelijk met 3 versterkers te werken
1 voor het hoog en 1 voor het midden en 1 voor laag
misschien ook mogelijk als OTL
kan best zijn dat ik volledig mis heb
Mvg René Daemen
René Daemen
Graag Inloggen of een account aanmaken deelnemen aan het gesprek.
05 apr 2013 09:43 - 05 apr 2013 09:55 #30505
door Huub
Beantwoord door Huub in topic 10/15 Watt OTL_serie balans eindtrap
Ik vind de OTL serie beter klinken als de
Biamply met twee versterkers Het hoort soms aan
Als of de overlap van het geluid niet klopt
Soms is het midde gebied in de minderheid
en klopt niet meer met de tweede versterker in de hoogten
Met serie ballence daar vloeit allen klankbeelden mooi tezamen
ik heb zoo twee typens radio,s een Biamply en een OTL serie.
ook de versterkers vallen mij tegen met twee versterkers Biamply
de versterkers met OTL met Filters klinken beter het zgz nep biamply
vind ik .Huub
Biamply met twee versterkers Het hoort soms aan
Als of de overlap van het geluid niet klopt
Soms is het midde gebied in de minderheid
en klopt niet meer met de tweede versterker in de hoogten
Met serie ballence daar vloeit allen klankbeelden mooi tezamen
ik heb zoo twee typens radio,s een Biamply en een OTL serie.
ook de versterkers vallen mij tegen met twee versterkers Biamply
de versterkers met OTL met Filters klinken beter het zgz nep biamply
vind ik .Huub
Laatst bewerkt 05 apr 2013 09:55 door Huub.
Graag Inloggen of een account aanmaken deelnemen aan het gesprek.
25 mrt 2013 19:56 #30151
door Franc
Beantwoord door Franc in topic 10/15 Watt OTL
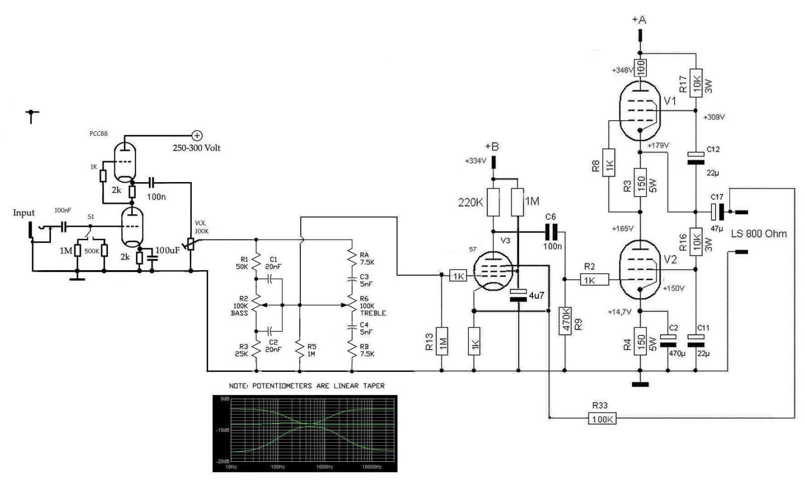
Juist Nico,
Zo is de situatie bij deze versterker.
De bus voert de uitgangswisselspanning en naar dit punt is die andere elko dus ontkoppeld.
Daarom mijn vraag als topicstarter over de waarde en schakeling voor en na de uitgangselko.
Groet Frank
Zo is de situatie bij deze versterker.
De bus voert de uitgangswisselspanning en naar dit punt is die andere elko dus ontkoppeld.
Daarom mijn vraag als topicstarter over de waarde en schakeling voor en na de uitgangselko.
Groet Frank
Graag Inloggen of een account aanmaken deelnemen aan het gesprek.
Minder
Meer
- Berichten: 1095
25 mrt 2013 19:46 #30150
door Ouwe Schipper
Beantwoord door Ouwe Schipper in topic 10/15 Watt OTL
Duidelijk Frank
Maar dan voert die omhullende alu bus dus ook de audio spanning voor de luidspreker. En doorslaan kost je dan wel de luidspreker! 't Éne risico inruilen voor 't àndere dus....
Nico
Maar dan voert die omhullende alu bus dus ook de audio spanning voor de luidspreker. En doorslaan kost je dan wel de luidspreker! 't Éne risico inruilen voor 't àndere dus....
Nico
Graag Inloggen of een account aanmaken deelnemen aan het gesprek.