Skip to main content
HiFi, Audio apparatuur en verwante zaken.

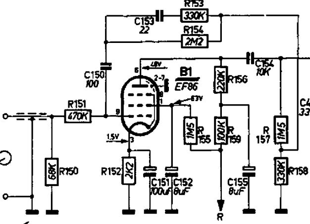
Niet op schema vermelden weerstand

Meer
23 dec 2019 12:54 - 23 dec 2019 13:00 #81146 door Cees PA1DBA
Dynamische elementen worden meestal afgesloten met 47K , maar bijvoorbeeld de GP400
kan met 68k beter presteren,
Omdat de tegenkoppeling, cq plaat correctie, hoogohmig is , en het element met 68K relatief laagohmig
zit die 470k er in zodat beide aanpassingen kloppen.

Cees- pa1dba
Laatst bewerkt 23 dec 2019 13:00 door Cees PA1DBA.
Onderwerp is gesloten.
Meer
23 dec 2019 10:46 - 23 dec 2019 11:07 #81142 door Huub
Ik was bezig met de PH versterker kast 9128
deze bezat onder de draaitafel toch een weerstand van 470K naar massa
dat staat niet op het schema deze tafel word gebruikt Dyn elementen
het maakt uit met dyn gebruik vooral met bvb stereo ph 410
is dat met meer tafels zo in de KAST 9128.?
wel zit er in de vvst 68 naar massa en 470 tussen het rooster van de buis
dat klopt wel
huub
Laatst bewerkt 23 dec 2019 11:07 door Huub.
Onderwerp is gesloten.
Gemaakt door Kunena