- Berichten: 2884
Restauratie Philips EL6411 versterker
29 okt 2023 09:06 #98392
door peter1952
Peter Boin,
Opgegroeid met de buizentechniek en ondertussen meer dan 50 jaar ervaring met buizen.
Van transistors en halfgeleiders word ik ook niet bang.
Beantwoord door peter1952 in topic Restauratie Philips EL6411 versterker
Op welke spanning heb je de uitgangsspanning ingesteld? Als je laagohmige luidsprekers gebruikt moet je de caroussel op 10 V. instellen.
Deze versterkers moeten een behoorlijk geluid kunnen produceren. Ik heb hem zelf ook.
De eindtrap staat in klasse B ingesteld.
Bij nullast moet de opgenomen stroom per eindbuis tussen 10 en 25 mA liggen, bij vollast (uitgang op 100 V. ingesteld) tussen 56 en 89 mA.
Zo ver ligt de door jou gemeten waarde bij nullast hier niet van af.
Hoe zijn je eindbuizen? Mijn ervaring met dit soort versterkers is dat de eindbuizen vaak slecht zijn.
Heb je de uitgangstrafo doorgemeten?
Groeten,
Peter
Deze versterkers moeten een behoorlijk geluid kunnen produceren. Ik heb hem zelf ook.
De eindtrap staat in klasse B ingesteld.
Bij nullast moet de opgenomen stroom per eindbuis tussen 10 en 25 mA liggen, bij vollast (uitgang op 100 V. ingesteld) tussen 56 en 89 mA.
Zo ver ligt de door jou gemeten waarde bij nullast hier niet van af.
Hoe zijn je eindbuizen? Mijn ervaring met dit soort versterkers is dat de eindbuizen vaak slecht zijn.
Heb je de uitgangstrafo doorgemeten?
Groeten,
Peter
Peter Boin,
Opgegroeid met de buizentechniek en ondertussen meer dan 50 jaar ervaring met buizen.
Van transistors en halfgeleiders word ik ook niet bang.
Graag Inloggen of een account aanmaken deelnemen aan het gesprek.
29 okt 2023 08:42 #98391
door RuudNL
Restauratie Philips EL6411 versterker werd gestart door RuudNL
Hallo buizenliefhebbers! Ik ben lid geworden omdat ik hoop dat de échte buizenkenners mij iets verder kunnen helpen met mijn huidige projectje...
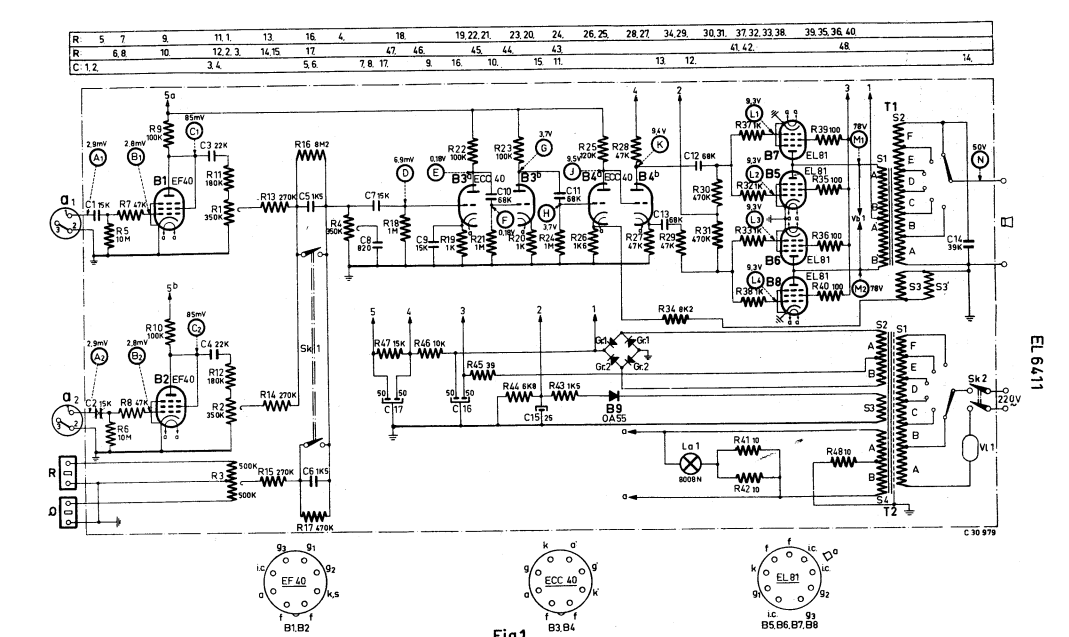
Op dit moment ben ik bezig met de renovatie van een Philips EL6411 versterker.
Puur uit nostalgische overwegingen!
Op de lagere school hadden we vroeger zo'n versterker en als jongetje was ik gefascineerd door het apparaat.
Ik vertelde dat een poosje geleden tegen een kennis en tot mijn verbazing kwam hij een paar weken later aan met een EL6411 versterker! "Omdat ik hem ook wel met dingen had geholpen", zei hij.
Het apparaat kwam van Marktplaats en had zo'n 20 jaar in de opslag gestaan.
Omdat ik de buizen niet vertrouwde, heb ik alle buizen vervangen door nieuwe exemplaren.
Tot mijn verbazing was zelfs de ECC40 nog te vinden. Ook had ik alvast het uiterlijk wat opgeknapt; de wat roestige kap weer ontroest en netjes gespoten etc.
De versterker bevat zogenaamde 'mosterd' condensatoren, die een vrij goede reputatie hebben, in elk geval een stuk beter dan de vroegere 'teer' condensatoren.
Zelfs de elektrolytische condensatoren in de voeding hadden zich door de tijd goed gehouden: eerst met een variac de spanning langzaam opgevoerd en een flinke tijd onder spanning gelaten.
De condensatoren houden ook daarna nog lange tijd spanning, dus ik denk dat ze buiten verdenking zijn.
Maar helaas, bij een eerste test blijkt de versterker een onfatsoenlijk hoge vervorming te produceren.
Tot de stuurroosters van de vier EL81 eindbuizen heb ik op de oscilloscoop een ogenschijnlijk vrij onvervormd signaal, zelfs bij een redelijk hoog niveau.
De beide helften van de eindtrap zijn goed gebalanceerd (ik heb ter controle 10 ohm weerstanden in de kathode leidingen opgenomen om dit te kunnen controleren) en de totale stoom door de vier eindbuizen is ongeveer 60 mA. Volgens de documentatie van de EL6411 zou dit per buis 15-25 mA horen te zijn.
60 mA is dus voor vier buizen redelijk aan de krappe kant. Ik heb geprobeerd de eindbuizen wat minder negatief op de stuurroosters te geven (ik had daarna 80 mA, dus ca. 20 mA per buis, een redelijk gemiddelde ten opzichte van de specificatie) maar het geluid blijft 'schor' en vervormd. Ik elk geval een stuk slechter dan ik mij van vroeger herinnerde.
Iemand enig idee wat ik nog eens zou kunnen proberen of controleren?
Suggesties worden zeer gewaardeerd!
Op dit moment ben ik bezig met de renovatie van een Philips EL6411 versterker.
Puur uit nostalgische overwegingen!
Op de lagere school hadden we vroeger zo'n versterker en als jongetje was ik gefascineerd door het apparaat.
Ik vertelde dat een poosje geleden tegen een kennis en tot mijn verbazing kwam hij een paar weken later aan met een EL6411 versterker! "Omdat ik hem ook wel met dingen had geholpen", zei hij.
Het apparaat kwam van Marktplaats en had zo'n 20 jaar in de opslag gestaan.
Omdat ik de buizen niet vertrouwde, heb ik alle buizen vervangen door nieuwe exemplaren.
Tot mijn verbazing was zelfs de ECC40 nog te vinden. Ook had ik alvast het uiterlijk wat opgeknapt; de wat roestige kap weer ontroest en netjes gespoten etc.
De versterker bevat zogenaamde 'mosterd' condensatoren, die een vrij goede reputatie hebben, in elk geval een stuk beter dan de vroegere 'teer' condensatoren.
Zelfs de elektrolytische condensatoren in de voeding hadden zich door de tijd goed gehouden: eerst met een variac de spanning langzaam opgevoerd en een flinke tijd onder spanning gelaten.
De condensatoren houden ook daarna nog lange tijd spanning, dus ik denk dat ze buiten verdenking zijn.
Maar helaas, bij een eerste test blijkt de versterker een onfatsoenlijk hoge vervorming te produceren.
Tot de stuurroosters van de vier EL81 eindbuizen heb ik op de oscilloscoop een ogenschijnlijk vrij onvervormd signaal, zelfs bij een redelijk hoog niveau.
De beide helften van de eindtrap zijn goed gebalanceerd (ik heb ter controle 10 ohm weerstanden in de kathode leidingen opgenomen om dit te kunnen controleren) en de totale stoom door de vier eindbuizen is ongeveer 60 mA. Volgens de documentatie van de EL6411 zou dit per buis 15-25 mA horen te zijn.
60 mA is dus voor vier buizen redelijk aan de krappe kant. Ik heb geprobeerd de eindbuizen wat minder negatief op de stuurroosters te geven (ik had daarna 80 mA, dus ca. 20 mA per buis, een redelijk gemiddelde ten opzichte van de specificatie) maar het geluid blijft 'schor' en vervormd. Ik elk geval een stuk slechter dan ik mij van vroeger herinnerde.
Iemand enig idee wat ik nog eens zou kunnen proberen of controleren?
Suggesties worden zeer gewaardeerd!
Graag Inloggen of een account aanmaken deelnemen aan het gesprek.