- Berichten: 4349
Hi-Q apparatuur
armeluis quadrofonie: STEREO-4
21 dec 2015 02:28 #57682
door Cees
Beantwoord door Cees in topic armeluis quadrofonie: STEREO-4
@ verbeek,
Ja, geen grote woofers; maar dat zal het verschil dan ook wel uit maken.
Een beetje minder demping, maakt bij kleine afmeting speakers niet zo
veel uit.
Ik gebruikte wel vrij grote bas speakers, om dat ik echt alle instrumenten
van heel laag, tot heel hoog, goed tot hun recht wil laten komen.
En daar mee kreeg ik bij gewoon stereo een beter bevredigender laag.
En dat doe ik nu nog steeds. Het totale stereo beeld geeft een prachtig
ruimtelijk diepte beeld.
Een DVD met geluiden van een zinkend schip, het klinkt als of dat niet
in de huiskamer uit de boxen komt, maar alsof het buiten in de straat
gebeurd.
Een DVD met natuur opnamen, een vlieg, vliegt a.h.w om mijn hooft,
heel realistisch! En toch gewoon stereo. Uit twee boxen.
En dus hoef ik niet meer dan twee boxen, want daar kan ook een
mooie diepte en ruimtelijkheid mee worden bereikt.
Cees.
Ja, geen grote woofers; maar dat zal het verschil dan ook wel uit maken.
Een beetje minder demping, maakt bij kleine afmeting speakers niet zo
veel uit.
Ik gebruikte wel vrij grote bas speakers, om dat ik echt alle instrumenten
van heel laag, tot heel hoog, goed tot hun recht wil laten komen.
En daar mee kreeg ik bij gewoon stereo een beter bevredigender laag.
En dat doe ik nu nog steeds. Het totale stereo beeld geeft een prachtig
ruimtelijk diepte beeld.
Een DVD met geluiden van een zinkend schip, het klinkt als of dat niet
in de huiskamer uit de boxen komt, maar alsof het buiten in de straat
gebeurd.
Een DVD met natuur opnamen, een vlieg, vliegt a.h.w om mijn hooft,
heel realistisch! En toch gewoon stereo. Uit twee boxen.
En dus hoef ik niet meer dan twee boxen, want daar kan ook een
mooie diepte en ruimtelijkheid mee worden bereikt.
Cees.
Graag Inloggen of een account aanmaken deelnemen aan het gesprek.
20 dec 2015 09:59 - 20 dec 2015 10:01 #57647
door verbeek
Beantwoord door verbeek in topic armeluis quadrofonie: STEREO-4
Geluidsbeleving is heel objectief, zoals ik al schreef.
Er zit nu een extra potmeter(2x8 ohm in serie/100W) in de gezamenlijke min-leiding van de luidsprekers. De achterboxen boxen zijn nu veel beter te regelen. De truc is nu het geluid zo te regelen dat je de achterboxen niet hoort, maar het geluid beter verspreidt door de kamer hoort. Zo verkom je dat het geluid opdringerig wordt en al snel vermoeiend klinkt.
Het vermogensverlies valt wel mee, 2 x 30W sinusvermogen aan 4 Ohm is ruim voldoende voor een normale woonkamer. De versterker hoeft geen grote basluidspreker in gang te zetten.
Het is het experimenteren waard.
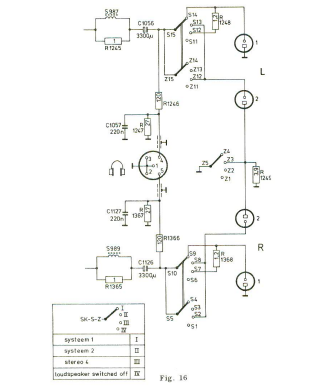
Het schema van de stereo-4 mogelijkheid bij een 720 vissenoog.
Gr. Paul
Er zit nu een extra potmeter(2x8 ohm in serie/100W) in de gezamenlijke min-leiding van de luidsprekers. De achterboxen boxen zijn nu veel beter te regelen. De truc is nu het geluid zo te regelen dat je de achterboxen niet hoort, maar het geluid beter verspreidt door de kamer hoort. Zo verkom je dat het geluid opdringerig wordt en al snel vermoeiend klinkt.
Het vermogensverlies valt wel mee, 2 x 30W sinusvermogen aan 4 Ohm is ruim voldoende voor een normale woonkamer. De versterker hoeft geen grote basluidspreker in gang te zetten.
Het is het experimenteren waard.
Het schema van de stereo-4 mogelijkheid bij een 720 vissenoog.
Gr. Paul
Laatst bewerkt 20 dec 2015 10:01 door verbeek.
Graag Inloggen of een account aanmaken deelnemen aan het gesprek.
18 dec 2015 01:30 - 18 dec 2015 01:39 #57616
door Cees
Beantwoord door Cees in topic armeluis quadrofonie: STEREO-4
@ Verbeek,
Dat stereo 4 kon ook met de vissen oog versterker van Philips of Aristona.
Ik heb dat destijds in 1974 ook zo aan gesloten maar....
Het klonk echt PET!!!
Hoe kon dat ook anders; een groot deel van het vermogen van de versterker
werd opgestookt in die dikke groene draad gewonden R's.
En de fijne details in de muziek gingen verloren.
Het was gewoon nep. De achterkant boxen heb ik toen maar gauw verkocht.
Weer later heb ik ook die 4 Ohm boxen van de voorkant verkocht en
heb ik 8 Ohm Philips boxen daar voor in de plaats aan gesloten.
Ook dat was weer een kleine verbetering, want het laag ging
strakker klinken. En het algemene geluidsbeeld werd ook aangenamer.
Werd minder gestrest en minder vermoeiend.
En van vermogen verlies door 8 Ohm was hoorbaar althans geen sprake.
Persoonlijk ga ik dus voor een goede stereo weergave en als de
boxen goed staan opgesteld krijg je een effect als of het geluid
niet uit de boxen komt, maar er gewoon is en bij sommige stereo
effecten lijkt het wel als of bepaalde geluiden ergens naar voren
of zelfs naar achteren in de ruimte aanwezig zijn. Een diepte werking.
Het geluid krijgt a.h.w een podium.
De juiste opstelling van de twee stereo boxen is heel belangrijk.
Daar staat of valt de juiste stereo weergave mee.
Cees.
Dat stereo 4 kon ook met de vissen oog versterker van Philips of Aristona.
Ik heb dat destijds in 1974 ook zo aan gesloten maar....
Het klonk echt PET!!!
Hoe kon dat ook anders; een groot deel van het vermogen van de versterker
werd opgestookt in die dikke groene draad gewonden R's.
En de fijne details in de muziek gingen verloren.
Het was gewoon nep. De achterkant boxen heb ik toen maar gauw verkocht.
Weer later heb ik ook die 4 Ohm boxen van de voorkant verkocht en
heb ik 8 Ohm Philips boxen daar voor in de plaats aan gesloten.
Ook dat was weer een kleine verbetering, want het laag ging
strakker klinken. En het algemene geluidsbeeld werd ook aangenamer.
Werd minder gestrest en minder vermoeiend.
En van vermogen verlies door 8 Ohm was hoorbaar althans geen sprake.
Persoonlijk ga ik dus voor een goede stereo weergave en als de
boxen goed staan opgesteld krijg je een effect als of het geluid
niet uit de boxen komt, maar er gewoon is en bij sommige stereo
effecten lijkt het wel als of bepaalde geluiden ergens naar voren
of zelfs naar achteren in de ruimte aanwezig zijn. Een diepte werking.
Het geluid krijgt a.h.w een podium.
De juiste opstelling van de twee stereo boxen is heel belangrijk.
Daar staat of valt de juiste stereo weergave mee.
Cees.
Laatst bewerkt 18 dec 2015 01:39 door Cees.
Graag Inloggen of een account aanmaken deelnemen aan het gesprek.
17 dec 2015 23:05 #57610
door Bert Kn
Mvg.
Bert
Beantwoord door Bert Kn in topic armeluis quadrofonie: STEREO-4
Mijn ervaring,
Een goede DTS surround set is leuk bij het afspelen van films.
Voor muziek normaal op stereo en goede luidsprekers als front speakers eraan ipv die piepkleine dingen.
Hoewel het afdraaien van de Dire Straits, multi channel via de SACD speler, betrap ik mezelf ook wel eens op Kerstsmiley
Een goede DTS surround set is leuk bij het afspelen van films.
Voor muziek normaal op stereo en goede luidsprekers als front speakers eraan ipv die piepkleine dingen.
Hoewel het afdraaien van de Dire Straits, multi channel via de SACD speler, betrap ik mezelf ook wel eens op Kerstsmiley
Mvg.
Bert
Graag Inloggen of een account aanmaken deelnemen aan het gesprek.
17 dec 2015 22:50 #57609
door Franc
Beantwoord door Franc in topic armeluis quadrofonie: STEREO-4
Maurice,
Met die kunstgrepen ging de kracht van de weergave ook flink achteruit.
Ik luister ook veel liever naar een normale stereo of mono installatie dan naar een surround set om muziek te beluisteren.
En wil je bv concerten weergeven dan dient het surround setje wel verrekte goed te zijn.
Anders klinkt het allemaal best lieflijk maar gaat idd snel vervelen.
Groet Frank
Met die kunstgrepen ging de kracht van de weergave ook flink achteruit.
Ik luister ook veel liever naar een normale stereo of mono installatie dan naar een surround set om muziek te beluisteren.
En wil je bv concerten weergeven dan dient het surround setje wel verrekte goed te zijn.
Anders klinkt het allemaal best lieflijk maar gaat idd snel vervelen.
Groet Frank
Graag Inloggen of een account aanmaken deelnemen aan het gesprek.
17 dec 2015 21:30 #57602
door MauriceH
Beantwoord door MauriceH in topic armeluis quadrofonie: STEREO-4
Ambiphonie staat er in schema bij stand 3.
De min van beide system2 luidsprekers hangen dan aan elkaar.
Of wel R-L.
Gebeurd er dan.
De monorale , of wel geluid wat normaal in het midden uit komt van je gewone system 1 wordt dan in mijn optiek er uit gehaald.
Houd over dat wat Links en Rechts verschilt.
Dat iets verzwakt en naar achteren gestuurd.
Zo krijgt men inderdaad een wat meer ruimtelijk effect.
Is dat achteren te hard zet je toch een R er tussen?
Het werkt enig met inderdaad bepaalde muziek soorten.
Met name dus die met duidelijke monorale bijdrage als zang, solo instrumenten en dergelijke.
Er is jaren 60-70 veel gespeeld met het ruimtelijk effect.
Daarna kwamen de 3.1 5.1 7.1 enz.
Zelf nog een Yamaha DSP receiver staan.
RX-V590RDS. Deze komplete trukendoos aan effecten.
Ook via optellen, aftrekken, time-delay invoeren van stereo signaal worden over de luidsprekers bv Concert zalen, Hall, live enz gevormd.
Daarnaast de bekende Prologic en Prologic enhanced tbv Films.
Werkte allemaal heel behoorlijk, soms leuk maar nooit lang.
Ging vaak vermoeien met muziek.
De min van beide system2 luidsprekers hangen dan aan elkaar.
Of wel R-L.
Gebeurd er dan.
De monorale , of wel geluid wat normaal in het midden uit komt van je gewone system 1 wordt dan in mijn optiek er uit gehaald.
Houd over dat wat Links en Rechts verschilt.
Dat iets verzwakt en naar achteren gestuurd.
Zo krijgt men inderdaad een wat meer ruimtelijk effect.
Is dat achteren te hard zet je toch een R er tussen?
Het werkt enig met inderdaad bepaalde muziek soorten.
Met name dus die met duidelijke monorale bijdrage als zang, solo instrumenten en dergelijke.
Er is jaren 60-70 veel gespeeld met het ruimtelijk effect.
Daarna kwamen de 3.1 5.1 7.1 enz.
Zelf nog een Yamaha DSP receiver staan.
RX-V590RDS. Deze komplete trukendoos aan effecten.
Ook via optellen, aftrekken, time-delay invoeren van stereo signaal worden over de luidsprekers bv Concert zalen, Hall, live enz gevormd.
Daarnaast de bekende Prologic en Prologic enhanced tbv Films.
Werkte allemaal heel behoorlijk, soms leuk maar nooit lang.
Ging vaak vermoeien met muziek.
Graag Inloggen of een account aanmaken deelnemen aan het gesprek.