Algemeen
em 84 op een tweamz
30 dec 2012 12:16 #26214
door klaas
Beantwoord door klaas in topic em 84 op een tweamz
Jan, bouw mijn ontwerp maar niet na, de zender is niet verantwoord meer, iets te sterk...
Neem alleen het gedeelte van de EM80 over. Het zijn maar ideeen tenslotte. Goede jaarwisseling gewenst en welkom op dit leuke forum!
Groeten, Klaas uit Leeuwarden.
Neem alleen het gedeelte van de EM80 over. Het zijn maar ideeen tenslotte. Goede jaarwisseling gewenst en welkom op dit leuke forum!
Groeten, Klaas uit Leeuwarden.
Graag Inloggen of een account aanmaken deelnemen aan het gesprek.
- brcf01
- [brcf01]
-
Minder
Meer
29 dec 2012 15:18 #26155
door brcf01
Beantwoord door brcf01 in topic em 84 op een tweamz
Hoi Jan, mijn naam staat in de handtekening.
Tevens ook te vinden in de link naar de vriendensite.
Tevens ook te vinden in de link naar de vriendensite.
Graag Inloggen of een account aanmaken deelnemen aan het gesprek.
29 dec 2012 14:32 #26154
door jan55
Beantwoord door jan55 in topic em 84 op een tweamz
Hallo zeg wat een ontvangst;geweldig. Iedereen bedankt voor de reacties.Klaas bedankt voor het schema,hier kan ik mee verder. Voor HIFIGN(geen naam?):dat is mijn andere hobby nl.oude motoren restaureren. Dit
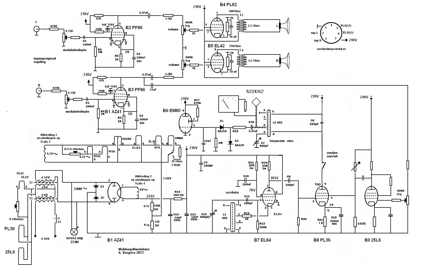
is een franse motorfiets: Radior 125 RN3T uit 1949.Maar voor de winter zijn er de buizen. Ter info:de tweamz is een am zender met zeer beperkt vermogen, om je buizenradio's via de am van muziek te voorzien. Ik heb het origineel? ontwerp van Otto Tuil aangepast met een EZ81 als gelijkrichter en dan nu de EM84 als indicator van de modulatie. Iedereen alvast een goede jaarwisseling gewenst en groet'n,Jan.
is een franse motorfiets: Radior 125 RN3T uit 1949.Maar voor de winter zijn er de buizen. Ter info:de tweamz is een am zender met zeer beperkt vermogen, om je buizenradio's via de am van muziek te voorzien. Ik heb het origineel? ontwerp van Otto Tuil aangepast met een EZ81 als gelijkrichter en dan nu de EM84 als indicator van de modulatie. Iedereen alvast een goede jaarwisseling gewenst en groet'n,Jan.
De volgende gebruiker (s) zei dank u: brcf01
Graag Inloggen of een account aanmaken deelnemen aan het gesprek.
28 dec 2012 20:16 #26122
door Bert Kn
Mvg.
Bert
Beantwoord door Bert Kn in topic em 84 op een tweamz
Jan,
Van harte welkom op het forum.
Mg.
Bert.
Van harte welkom op het forum.
Mg.
Bert.
Mvg.
Bert
Graag Inloggen of een account aanmaken deelnemen aan het gesprek.
28 dec 2012 20:06 - 28 dec 2012 20:08 #26119
door klaas
Beantwoord door klaas in topic em 84 op een tweamz
Laatst bewerkt 28 dec 2012 20:08 door klaas.
Graag Inloggen of een account aanmaken deelnemen aan het gesprek.
28 dec 2012 19:21 - 28 dec 2012 19:22 #26117
door Laurens
.
Beantwoord door Laurens in topic em 84 op een tweamz
Koppel de EM84 aan de eindtrap van de zender. Dat kan bijvoorbeeld met een extra spoeltje om de ferrietstaaf. Let op dat je niet te sterk koppelt om te voorkomen dat je de afstemming vertrekt of de eindtrap te zwaar belast.
Detecteer vervolgens het signaal met bijvoorbeeld een diode, en voeg het toe aan de buis. Stel de gevoeligheid zo af dat bij 100% modulatie de buis 'dicht' is.
Detecteer vervolgens het signaal met bijvoorbeeld een diode, en voeg het toe aan de buis. Stel de gevoeligheid zo af dat bij 100% modulatie de buis 'dicht' is.
.
Laatst bewerkt 28 dec 2012 19:22 door Laurens.
Graag Inloggen of een account aanmaken deelnemen aan het gesprek.