- Berichten: 8920
Algemeen
Conversie EM34 naar 6E5C
07 okt 2011 20:53 #10265
door Huub
Beantwoord door Huub in topic Re: Conversie EM34 naar 6E5C
30.watt is niet te veel
Anders neem je een platbek punt tang op de draaden dat koelt
van de weerstand ,je kan beter ook een half watt,s weerstand nemen
niet zoo een heel kleine , huub
Anders neem je een platbek punt tang op de draaden dat koelt
van de weerstand ,je kan beter ook een half watt,s weerstand nemen
niet zoo een heel kleine , huub
Graag Inloggen of een account aanmaken deelnemen aan het gesprek.
07 okt 2011 20:30 #10263
door Bart B
Beantwoord door Bart B in topic Re: Conversie EM34 naar 6E5C
Zouden de weerstanden ook te warm kunnen worden door het lossolderen?(bout van 30 watt)
Ze werden best wel warm.
Bart
Ze werden best wel warm.
Bart
Graag Inloggen of een account aanmaken deelnemen aan het gesprek.
07 okt 2011 20:25 #10261
door Rene Daemen
René Daemen
Beantwoord door Rene Daemen in topic Re: Conversie EM34 naar 6E5C
Hallo
hoe je de weerstand plaatst maakt niet uit als je maar op de goede pennen van de voet soldeert
daar gaat het om weerstanden hebben geen polarisatie
succes
René Daemen
hoe je de weerstand plaatst maakt niet uit als je maar op de goede pennen van de voet soldeert
daar gaat het om weerstanden hebben geen polarisatie
succes
René Daemen
René Daemen
Graag Inloggen of een account aanmaken deelnemen aan het gesprek.
07 okt 2011 20:18 #10259
door Bart B
Beantwoord door Bart B in topic Re: Conversie EM34 naar 6E5C
Maakt het nog uit hoe de weerstand ertussen zit.Is een bruine met de kleuren zwart,groen en zilver.
Hij zit met de zwarte streep aan aansluiting 6.
Bart
Hij zit met de zwarte streep aan aansluiting 6.
Bart
Graag Inloggen of een account aanmaken deelnemen aan het gesprek.
07 okt 2011 20:13 #10258
door Bart B
Beantwoord door Bart B in topic Re: Conversie EM34 naar 6E5C
Hey Marcel,
Dank je voor de snelle reactie.
Heb het niet kunnen testen met een orginele EM34 omdat die er niet in zat en ik had er geen liggen.
Vanwege de prijs tegenwoordig heb ik deze optie gekozen, daar komt bij dat ik nog maar net begin en er niet
zoveel verstand van heb en ook nog geen meetapparatuur heb.
Ik doe niets anders dan het internet en forums afstruinen naar info .
Heb inderdaad begrepen dat de weerstand de beweging van het oog beinvloed.
Zou de andere die er afgekomen is nog kunnen proberen en anders haal ik morgen een nieuwe.
De foto is niet van beste kwaliteit,heb de camera via de stoel stil proberen te houden.
Bart
Dank je voor de snelle reactie.
Heb het niet kunnen testen met een orginele EM34 omdat die er niet in zat en ik had er geen liggen.
Vanwege de prijs tegenwoordig heb ik deze optie gekozen, daar komt bij dat ik nog maar net begin en er niet
zoveel verstand van heb en ook nog geen meetapparatuur heb.
Ik doe niets anders dan het internet en forums afstruinen naar info .
Heb inderdaad begrepen dat de weerstand de beweging van het oog beinvloed.
Zou de andere die er afgekomen is nog kunnen proberen en anders haal ik morgen een nieuwe.
De foto is niet van beste kwaliteit,heb de camera via de stoel stil proberen te houden.
Bart
Graag Inloggen of een account aanmaken deelnemen aan het gesprek.
07 okt 2011 19:55 - 07 okt 2011 20:00 #10256
door Marcel L
Bezoek ook eens mijn virtuele buizenradiomuseum.nl
Beantwoord door Marcel L in topic Re: Conversie EM34 naar 6E5C
Hoi Bart,
Heb je de werking van het oog in de oude situatie kunnen testen met een andere EM34 eventueel?
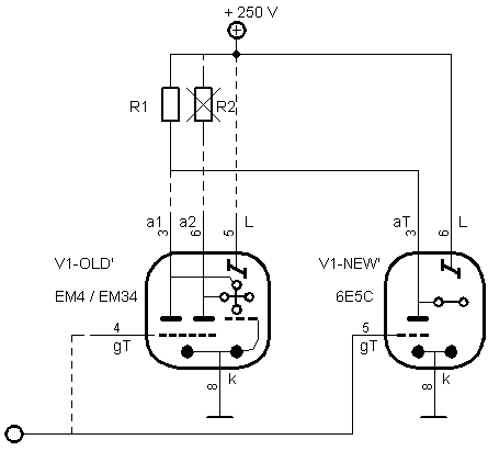
Als het oog niet reageert, en alles zit wel goed aangesloten (kan bijna niet missen met deze duidelijke beschrijving) dan ligt het meestal aan de weerstand inderdaad.
Er staat een hoge spanning overheen, en dan wil hij er na jaren trouwe dienst nog wel eens tussenuit piepen.
De weerstand dus inderdaad maar even controleren.
Voor de zekerheid, en ter controle, zal ik de informatie die ik over deze conversie heb even bijsluiten.
Ben benieuwd hoe het afloopt. Plaats, indien mogelijk, ook even een foto van de 6E5C in werking.
Groeten van Marcel
Heb je de werking van het oog in de oude situatie kunnen testen met een andere EM34 eventueel?
Als het oog niet reageert, en alles zit wel goed aangesloten (kan bijna niet missen met deze duidelijke beschrijving) dan ligt het meestal aan de weerstand inderdaad.
Er staat een hoge spanning overheen, en dan wil hij er na jaren trouwe dienst nog wel eens tussenuit piepen.
De weerstand dus inderdaad maar even controleren.
Voor de zekerheid, en ter controle, zal ik de informatie die ik over deze conversie heb even bijsluiten.
Ben benieuwd hoe het afloopt. Plaats, indien mogelijk, ook even een foto van de 6E5C in werking.
Groeten van Marcel
Bezoek ook eens mijn virtuele buizenradiomuseum.nl
Laatst bewerkt 07 okt 2011 20:00 door Marcel L.
Graag Inloggen of een account aanmaken deelnemen aan het gesprek.