- Berichten: 16
Reparatie en Restauratie tip's
B8x72a Restauratie
25 dec 2025 23:52 #101937
door Marc
Beantwoord door Marc in topic B8x72a Restauratie
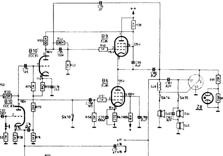
Hou er bij een B8X72A rekening mee dat sommige waardes in het schema niet kloppen, dus altijd de component zelf proberen af te lezen.
Ik kan wel een keer voor je opzoeken welke afwijkingen ik allemaal tegengekomen ben, het waren er een stuk of 10-15 dacht ik.
Mocht je trouwens een achterwand over houden van de restauratie dan heb ik daar wel interesse in
Ik kan wel een keer voor je opzoeken welke afwijkingen ik allemaal tegengekomen ben, het waren er een stuk of 10-15 dacht ik.
Mocht je trouwens een achterwand over houden van de restauratie dan heb ik daar wel interesse in
Graag Inloggen of een account aanmaken deelnemen aan het gesprek.
- Cees PA1DBA
- [Cees PA1DBA]
-
- Offline
- Cees
Minder
Meer
- Berichten: 2932
11 dec 2025 18:56 #101882
door Cees PA1DBA
Cees- pa1dba
Beantwoord door Cees PA1DBA in topic B8x72a Restauratie
pdf schema staat onder jouw bericht René .
Ook hier te downloaden.
Ook hier te downloaden.
Cees- pa1dba
Graag Inloggen of een account aanmaken deelnemen aan het gesprek.
11 dec 2025 12:15 #101881
door Rene Daemen
René Daemen
Beantwoord door Rene Daemen in topic B8x72a Restauratie
Hallo Martijn
je zult in het toestel moeten kijken naar de waardes van de c’ondensators
er kan modificaties zijn waar je in hetbschema niet direct terug vind omdat men in de service maandbladen had gezet soms werd wel eens een toevoeging schema
niet altijd staat complete werk met modificaties op het net omdat ze erniet in bezit zijn
dan is wat in het toestel zit lijdent
dus 1 eruit de ander erin om geen fout te maken .
Schema zal vast wel bij electro tanya zijn of radio museum .org
succes met herstel
groet René
je zult in het toestel moeten kijken naar de waardes van de c’ondensators
er kan modificaties zijn waar je in hetbschema niet direct terug vind omdat men in de service maandbladen had gezet soms werd wel eens een toevoeging schema
niet altijd staat complete werk met modificaties op het net omdat ze erniet in bezit zijn
dan is wat in het toestel zit lijdent
dus 1 eruit de ander erin om geen fout te maken .
Schema zal vast wel bij electro tanya zijn of radio museum .org
succes met herstel
groet René
René Daemen
Graag Inloggen of een account aanmaken deelnemen aan het gesprek.
- Cees PA1DBA
- [Cees PA1DBA]
-
- Offline
- Cees
Minder
Meer
- Berichten: 2932
11 dec 2025 11:26 - 11 dec 2025 11:33 #101880
door Cees PA1DBA
Cees- pa1dba
Beantwoord door Cees PA1DBA in topic B8x72a Restauratie
In de service documentatie staan alleen speciale onderdelen vermeld zoals spoelen ,transformatoren.
De waarden van weerstanden en condensatoren zal je dus uit het schema en positie tekening moeten halen.
Succes met dit mooie toestel !
De waarden van weerstanden en condensatoren zal je dus uit het schema en positie tekening moeten halen.
Succes met dit mooie toestel !
Cees- pa1dba
Laatst bewerkt 11 dec 2025 11:33 door Cees PA1DBA. Reden: aanvulling
Graag Inloggen of een account aanmaken deelnemen aan het gesprek.
11 dec 2025 04:10 #101878
door lierseboy
Beantwoord door lierseboy in topic B8x72a Restauratie
Staan de waardes er niet meer op? Weerstanden zijn ook van kleurcodes voorzien tenzij ze verbrand zijn
Graag Inloggen of een account aanmaken deelnemen aan het gesprek.
10 dec 2025 20:25 #101877
door MVG01
B8x72a Restauratie werd gestart door MVG01
Goedeavond allen,
Ik restaureer/reviseer in mijn vrije tijd hobbymatig Philips Buizenradio's.
Ik ben zeker geen professional met deze oude techniek maar heb genoeg kennis van electronica en techniek en dan ook al best een aantal succesvolle restauraties afgerond.
Normaliter heb ik er een service handleiding bij van Philips waar ik met de componenten lijst kan zien wat de technische waarde's zijn van weerstanden en condensatoren die ik wil vervangen.
Ik heb nu 2 B8X72A's staan die ik in de kerstvakantie wil gaan reviseren, echter kan ik van dit model geen handleiding vinden met een componenten lijst waar de waardes op staan van de componenten. na lang zoeken dacht ik hem gevonden te hebben maar dat was van de B7X72A. is er iemand die mij hier mee op weg kan helpen of die deze lijst wel heeft.
Zonder lijst is er voor mij nu geen manier om van de condensatoren de juiste waarde's te bepalen.
Alvast bedankt voor het meedenken!
Groeten Martijn
Ik restaureer/reviseer in mijn vrije tijd hobbymatig Philips Buizenradio's.
Ik ben zeker geen professional met deze oude techniek maar heb genoeg kennis van electronica en techniek en dan ook al best een aantal succesvolle restauraties afgerond.
Normaliter heb ik er een service handleiding bij van Philips waar ik met de componenten lijst kan zien wat de technische waarde's zijn van weerstanden en condensatoren die ik wil vervangen.
Ik heb nu 2 B8X72A's staan die ik in de kerstvakantie wil gaan reviseren, echter kan ik van dit model geen handleiding vinden met een componenten lijst waar de waardes op staan van de componenten. na lang zoeken dacht ik hem gevonden te hebben maar dat was van de B7X72A. is er iemand die mij hier mee op weg kan helpen of die deze lijst wel heeft.
Zonder lijst is er voor mij nu geen manier om van de condensatoren de juiste waarde's te bepalen.
Alvast bedankt voor het meedenken!
Groeten Martijn
Graag Inloggen of een account aanmaken deelnemen aan het gesprek.