- Berichten: 68
Radio's van 1950 tot 1970
Philips BX638U elco doorgeslagen
07 feb 2026 13:11 #101998
door lierseboy
Beantwoord door lierseboy in topic Philips BX638U elco doorgeslagen
Lijkt erop dat je UY 42 ook niet hemelaal fris meer is
Graag Inloggen of een account aanmaken deelnemen aan het gesprek.
06 feb 2026 17:14 #101996
door Davo013
Handtekening
Beantwoord door Davo013 in topic Philips BX638U elco doorgeslagen
Hij heeft weer ontvangst gelukkig, vd week ff kijken of ik die brom er nog uit kan krijgen, de frequenties staan iig weer strak op schaal..
Handtekening
Graag Inloggen of een account aanmaken deelnemen aan het gesprek.
06 feb 2026 11:31 - 06 feb 2026 11:58 #101995
door Davo013
Handtekening
Beantwoord door Davo013 in topic Philips BX638U elco doorgeslagen
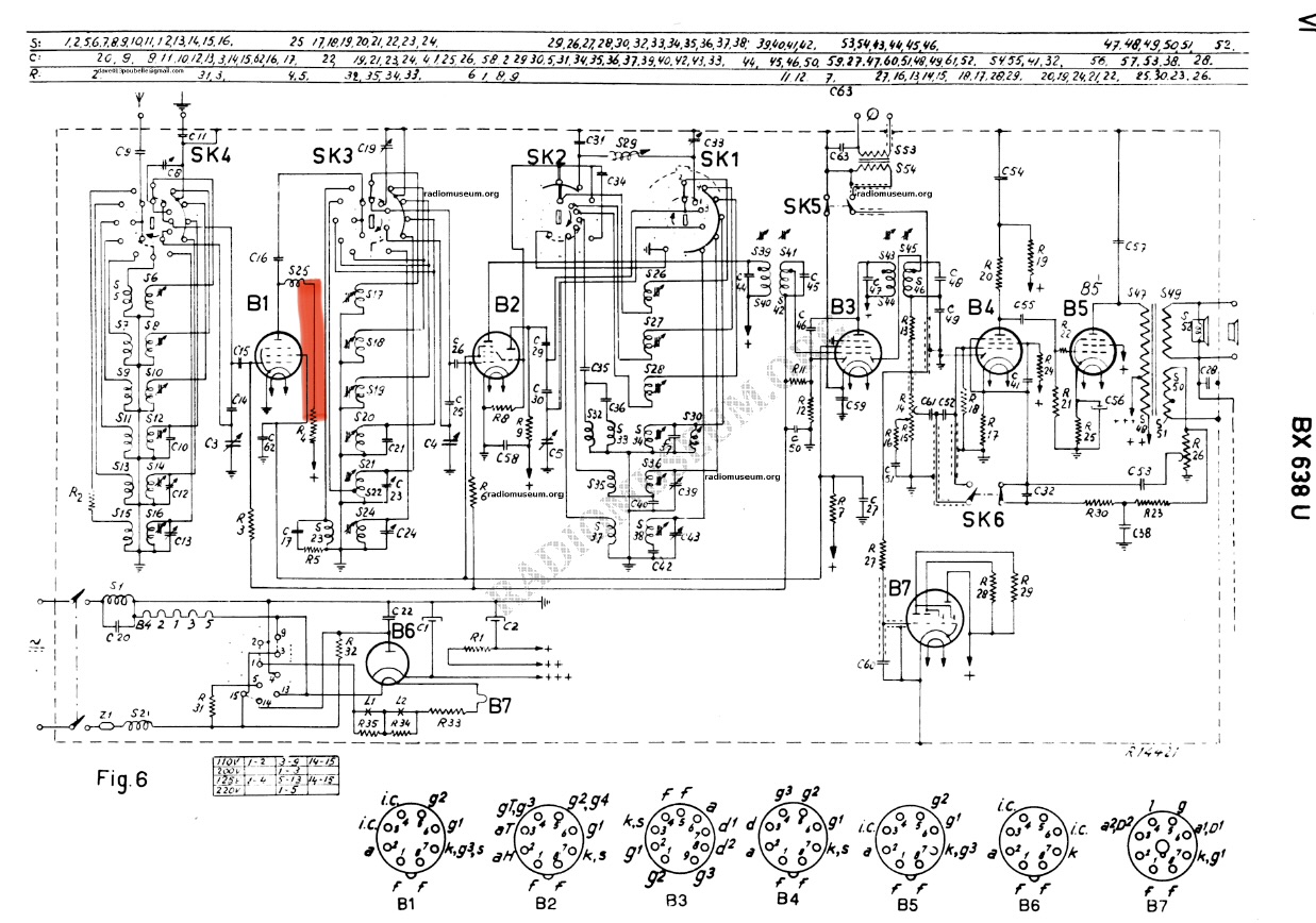
Ik heb de spanningen ff gemeten en die lopen niet allemaal even lekker…
B1 UF41
Pin2 (a1) 148.2V (100V)
Pin5 (g2)= 58.6V (58V)
Pin6 (g1) = -0.06V
B2 UCH42
Pin2 (aH) = 189.1V (154V)
Pin3 (aT) = 129.6 V(87V)
Pin5 (g2,G4) = 69.4V (58V)
Pin6 (g1) = -0.3V
B3 UBF80
Pin6 (a) = 189.5V (154V)
Pin2 (g1) = -13.8V
Pin1 (g2) = 69.3V (58V)
B4 UAF42
Pin2 (a) = 41.3V (30V)
Pin5 (g2) = 17.8V (14)
Pin6 (g1) = -0.4v Brom met meten van k naar g1
B5 UL41
Pin2 (a) = 202.3V (170)
Pin5 (g2) = 189.4V (154)
Pin6 (g1) = -9.6V Brom met meten van k naar g1
B6 UY42
Pin2 (a) = 210.5 VAC
B1 UF41
Pin2 (a1) 148.2V (100V)
Pin5 (g2)= 58.6V (58V)
Pin6 (g1) = -0.06V
B2 UCH42
Pin2 (aH) = 189.1V (154V)
Pin3 (aT) = 129.6 V(87V)
Pin5 (g2,G4) = 69.4V (58V)
Pin6 (g1) = -0.3V
B3 UBF80
Pin6 (a) = 189.5V (154V)
Pin2 (g1) = -13.8V
Pin1 (g2) = 69.3V (58V)
B4 UAF42
Pin2 (a) = 41.3V (30V)
Pin5 (g2) = 17.8V (14)
Pin6 (g1) = -0.4v Brom met meten van k naar g1
B5 UL41
Pin2 (a) = 202.3V (170)
Pin5 (g2) = 189.4V (154)
Pin6 (g1) = -9.6V Brom met meten van k naar g1
B6 UY42
Pin2 (a) = 210.5 VAC
Handtekening
Laatst bewerkt 06 feb 2026 11:58 door Davo013.
Graag Inloggen of een account aanmaken deelnemen aan het gesprek.
06 feb 2026 01:01 - 06 feb 2026 01:09 #101991
door Davo013
Handtekening
Beantwoord door Davo013 in topic Philips BX638U elco doorgeslagen
Ik heb het nu uit staan, maar ik meen iets van rond de 170 180v op pen 2…
Dat de snoer een soort antenne was geworden leek me wel het meest logische ja..
Ik kon gewoon van zender wisselen, zodra de snoer weg was, geen ontvangst meer..
ik weet het niet zeker meer, volgens mij was het alleen als ik een pen op jet chassis had.. dit dirf ik niet met zekerheid te zeggen, omdat ik het uit automatisme altijd op het chassis prik haha
Der moet ergens tussen de antenne en de UF41 iets stuk zijn gegaan denk ik?
Er zat een T400mA zekering in, en hij zal wel ergens wel een flinke optater hebben gehad..
Morgen weer ff verder zoeken.
Dat de snoer een soort antenne was geworden leek me wel het meest logische ja..
Ik kon gewoon van zender wisselen, zodra de snoer weg was, geen ontvangst meer..
ik weet het niet zeker meer, volgens mij was het alleen als ik een pen op jet chassis had.. dit dirf ik niet met zekerheid te zeggen, omdat ik het uit automatisme altijd op het chassis prik haha
Der moet ergens tussen de antenne en de UF41 iets stuk zijn gegaan denk ik?
Er zat een T400mA zekering in, en hij zal wel ergens wel een flinke optater hebben gehad..
Morgen weer ff verder zoeken.
Handtekening
Laatst bewerkt 06 feb 2026 01:09 door Davo013.
Graag Inloggen of een account aanmaken deelnemen aan het gesprek.
05 feb 2026 23:53 #101990
door peter1952
Peter Boin,
Opgegroeid met de buizentechniek en ondertussen meer dan 50 jaar ervaring met buizen.
Van transistors en halfgeleiders word ik ook niet bang.
Beantwoord door peter1952 in topic Philips BX638U elco doorgeslagen
Waarschijnlijk werkt het snoer van je meter als antenne, waardoor je ontvangst hebt.
Wat meet je voor spanning op de anode van B1 (pen 2)?
Is misschien R4 onderbroken?
De fout zit kennelijk in de H.F.-trap, daar je na die trap ontvangst hebt.
Gezien de hoge Ri van je meter zou die geen invloed op de schakeling kunnen hebben, behalve dan een evt. antennewerking.
Groeten,
Peter
Wat meet je voor spanning op de anode van B1 (pen 2)?
Is misschien R4 onderbroken?
De fout zit kennelijk in de H.F.-trap, daar je na die trap ontvangst hebt.
Gezien de hoge Ri van je meter zou die geen invloed op de schakeling kunnen hebben, behalve dan een evt. antennewerking.
Groeten,
Peter
Peter Boin,
Opgegroeid met de buizentechniek en ondertussen meer dan 50 jaar ervaring met buizen.
Van transistors en halfgeleiders word ik ook niet bang.
Graag Inloggen of een account aanmaken deelnemen aan het gesprek.
05 feb 2026 21:49 - 05 feb 2026 21:58 #101989
door Davo013
Handtekening
Philips BX638U elco doorgeslagen werd gestart door Davo013
Hoi Allemaal,ik was bezig met de BX638U, af te regelen, en toen klapte ineens de zekering. Na enig zoekwerk kwam ik erachter dat een kant van de afvlak elco was doorgeslagen.Het was ook stom van me, want ik had die afvlak elco’s eigenlijk meteen moeten vervangen toen ik bezig was met al die teer rommel eruit te halen…Maar nu werkt de radio nog steeds niet… Geen ontvangst, de eindtrap werkt wel, maar Ik hoor wel een kleine brom.Nu was ik aan het meten, en toen ik vanaf het chassis punt R4, S29 aantik krijg ik ineens ontvangst? Mijn Fluke heb volgens mij een interne weerstand van 10M ofzo.De radio ligt aan een scheidingstrafo, het chassis ligt aan aarde.Alleen weet ik nu ff niet waar ik het moet zoeken…
Lijkt wel of mijn meetsnoer een antenne is ofzo
Lijkt wel of mijn meetsnoer een antenne is ofzo
Handtekening
Laatst bewerkt 05 feb 2026 21:58 door Davo013.
Graag Inloggen of een account aanmaken deelnemen aan het gesprek.