Skip to main content
Radio's van 1950 tot 1970

Philips BX750a

Meer
04 feb 2026 12:13 #101983 door Cees PA1DBA
Beantwoord door Cees PA1DBA in topic Philips BX750a
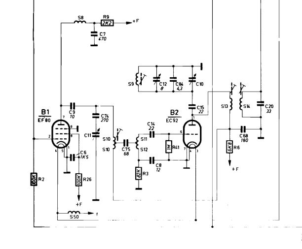
Controleer eerst of +F nog rond de 250 volt zit, een te lage voedingspanning kan de oscillator doen afslaan.
dat afslaan meet je met een 2e fm radio (10,7Mhz verschil) bij gebrek aan scoop of frequentie teller .
Is het niet de voeding, zal het helaas een verlopen condensator in de fm tuner rond de afstemkring van de EC92 zijn.
Succes. 
 

Cees- pa1dba
De volgende gebruiker (s) zei dank u: Joegie

Graag Inloggen of een account aanmaken deelnemen aan het gesprek.

Meer
03 feb 2026 20:47 #101982 door Joegie
Philips BX750a werd gestart door Joegie
Ik ben al dagen aan het zoeken in mijn bx750s . Vorige week deed ie het nog -redelijk- goed op FM maar sinds kort krijg ik alleen de fm zenders tot ongeveer 90mc daarboven slaat ie dicht (wordt heel stil)
Heb buizen EF80, EC92, EF 85 en ECH81 al vervangen. Dat gaf een iets beter 'bereik' (eerst 88 mc nu ongeveer 90mc)
Geen idee hoe dit -ineens- kan. 
Waar moet ik zoeken?
Hulp gevraagd

Graag Inloggen of een account aanmaken deelnemen aan het gesprek.

Gemaakt door Kunena