Radio's van 1950 tot 1970
Graetz Melodia 419/418
20 dec 2020 16:33 - 20 dec 2020 16:34 #87591
door Ben
Tussen positief en negatief zit soms een donderklap.
Beantwoord door Ben in topic Graetz Melodia 419/418
Prima opgelost.:thumbsup:
Let wel op voor je het chassis weer in gaat bouwen of deze drukschakelaar (zie foto) nog goed is.
Deze is om het afstemoog uit te schakelen en als dit niet goed is gaat er een winding van de ugt stuk.
Zou dat nog even controleren,.
Ook prettige dagen gewenst en groet, Ben
Let wel op voor je het chassis weer in gaat bouwen of deze drukschakelaar (zie foto) nog goed is.
Deze is om het afstemoog uit te schakelen en als dit niet goed is gaat er een winding van de ugt stuk.
Zou dat nog even controleren,.
Ook prettige dagen gewenst en groet, Ben
Tussen positief en negatief zit soms een donderklap.
Laatst bewerkt 20 dec 2020 16:34 door Ben.
Graag Inloggen of een account aanmaken deelnemen aan het gesprek.
20 dec 2020 15:32 #87590
door jeroonnld
Beantwoord door jeroonnld in topic Graetz Melodia 419/418
Hartelijk dank voor alle info, inmiddels speelt de radio weer! fijne feestdagen vanuit Zwitserland!
Graag Inloggen of een account aanmaken deelnemen aan het gesprek.
20 dec 2020 13:49 - 20 dec 2020 13:50 #87583
door Ben
Tussen positief en negatief zit soms een donderklap.
Beantwoord door Ben in topic Graetz Melodia 419/418
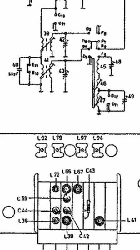
Zie ook hier de aansluitingen.
Groet, Ben
Groet, Ben
Tussen positief en negatief zit soms een donderklap.
Laatst bewerkt 20 dec 2020 13:50 door Ben.
Graag Inloggen of een account aanmaken deelnemen aan het gesprek.
- Cees PA1DBA
- [Cees PA1DBA]
-
- Offline
- Cees
Minder
Meer
- Berichten: 2956
20 dec 2020 13:23 - 20 dec 2020 13:24 #87582
door Cees PA1DBA
Cees- pa1dba
Beantwoord door Cees PA1DBA in topic Graetz Melodia 419/418
C43 is een keramisch buistrimmertje , dat wordt afgeregeld door wikkelingen van de buitenzijde af te halen.
Cees- pa1dba
Laatst bewerkt 20 dec 2020 13:24 door Cees PA1DBA.
Graag Inloggen of een account aanmaken deelnemen aan het gesprek.
20 dec 2020 10:13 #87575
door jeroonnld
Graetz Melodia 419/418 werd gestart door jeroonnld
Beste radio vrienden
Op dit moment knap ik een melodia 419 op. Bij het uitkasten bleek er een nog een spoel in de radio te liggen
(L41) Deze heb ik weer op zijn plaats gelijmt en heb 3 van de 4 aansluitingen gevonden, alleen de aansluiting met C43 kan ik niet vinden, dwz de condensator zie ik niet. Wie kan mij helpen ?
vr gr, Jeroen
Op dit moment knap ik een melodia 419 op. Bij het uitkasten bleek er een nog een spoel in de radio te liggen
(L41) Deze heb ik weer op zijn plaats gelijmt en heb 3 van de 4 aansluitingen gevonden, alleen de aansluiting met C43 kan ik niet vinden, dwz de condensator zie ik niet. Wie kan mij helpen ?
vr gr, Jeroen
Graag Inloggen of een account aanmaken deelnemen aan het gesprek.