- Berichten: 522
Radio's van 1950 tot 1970
Bedrading luidsprekers Capella 663 ??
06 dec 2013 22:36 #38743
door MauriceH
Beantwoord door MauriceH in topic Bedrading luidsprekers Capella 663 ??
Bert,
Doelde met name op de linkjes naar chassis luidspreker die vaak wel of niet doorverbonden zijn, dan wel juist de + aan chassis linkje wel of niet doorverbonden etc.
Dit om geen kortsluiting te veroorzaken.
Doelde met name op de linkjes naar chassis luidspreker die vaak wel of niet doorverbonden zijn, dan wel juist de + aan chassis linkje wel of niet doorverbonden etc.
Dit om geen kortsluiting te veroorzaken.
De volgende gebruiker (s) zei dank u: Bert Kn
Graag Inloggen of een account aanmaken deelnemen aan het gesprek.
06 dec 2013 22:20 #38742
door Bert Kn
.
Verder is het zaak dat je met de batterij test even checkt welke aansluitingen van de speakers de plus en min zijn.
Mvg.
Bert
Beantwoord door Bert Kn in topic Bedrading luidsprekers Capella 663 ??
En daarom had ik per luidspreker de plus en min aangegevenof dat net de LS gedraaid zit in jouw toestel.
Verder is het zaak dat je met de batterij test even checkt welke aansluitingen van de speakers de plus en min zijn.
Mvg.
Bert
Graag Inloggen of een account aanmaken deelnemen aan het gesprek.
06 dec 2013 20:20 #38739
door MauriceH
Beantwoord door MauriceH in topic Bedrading luidsprekers Capella 663 ??
Beter is de boel uit te pluizen, dat kan goed met het schema van de 5029A.
Te vinden via de link eerder gegeven, kiezen Siera en zoeken 5029A (geen SA er voor).
Wel even 1x aanmelden -perfecte site.
Dan door inzoomen en inkleuren wordt de boel duidelijk.
Dan begrijp je ook hoe het zit, dit ivm mogelijke fouten, of dat net de LS gedraaid zit in jouw toestel.
Let goed op de aardpunten van de luidsprekers. Dat zijn de 3e lipjes op de aansluitstrippen luidsprekers.
Daarom belangrijk zelf goed te bekijken hoe het hoort te zetten.
De bedrading zelf geeft ivm lengte al redelijk aan hoe het gezeten kan hebben.
Te vinden via de link eerder gegeven, kiezen Siera en zoeken 5029A (geen SA er voor).
Wel even 1x aanmelden -perfecte site.
Dan door inzoomen en inkleuren wordt de boel duidelijk.
Dan begrijp je ook hoe het zit, dit ivm mogelijke fouten, of dat net de LS gedraaid zit in jouw toestel.
Let goed op de aardpunten van de luidsprekers. Dat zijn de 3e lipjes op de aansluitstrippen luidsprekers.
Daarom belangrijk zelf goed te bekijken hoe het hoort te zetten.
De bedrading zelf geeft ivm lengte al redelijk aan hoe het gezeten kan hebben.
De volgende gebruiker (s) zei dank u: verbeek, Willem Roseboom
Graag Inloggen of een account aanmaken deelnemen aan het gesprek.
06 dec 2013 17:30 - 06 dec 2013 17:37 #38731
door Bert Kn
Mvg.
Bert
Beantwoord door Bert Kn in topic Bedrading luidsprekers Capella 663 ??
Als ik je radio's zo op rij zie staan en mits allen goed gereviseerd zou mijn top 3 als volgt zijn.
Nr 1 de BD663A (gelijk aan de Aristona SA5029)
Nr 2 de B7X63A
Nr 3 de Saturn 653/4E/3D (gelijk aan de Aristona SA3027
Nr 1 de BD663A (gelijk aan de Aristona SA5029)
Nr 2 de B7X63A
Nr 3 de Saturn 653/4E/3D (gelijk aan de Aristona SA3027
Mvg.
Bert
Laatst bewerkt 06 dec 2013 17:37 door Bert Kn.
Graag Inloggen of een account aanmaken deelnemen aan het gesprek.
06 dec 2013 16:29 #38730
door Heijn
Beantwoord door Heijn in topic Bedrading luidsprekers Capella 663 ??
Henk, Bert,
hartstikke bedankt...als het nou nog niet lukt :woohoo:
Ben de laatste tijd helemaal weg van de duitse Philips toestellen.
Mijn Philips 1002 speelt bijna dagelijks de sterren van de hemel. Ik durf mijn B7x63A er bijna niet langs te zetten.
Dan staan de Philips Capella 877, B6X63A, Saturn 594 en Saturn 653 nog in de wachtkamer.
Nog genoeg werk dus.
Alvast aan de slag dus met de 633.
hartstikke bedankt...als het nou nog niet lukt :woohoo:
Ben de laatste tijd helemaal weg van de duitse Philips toestellen.
Mijn Philips 1002 speelt bijna dagelijks de sterren van de hemel. Ik durf mijn B7x63A er bijna niet langs te zetten.
Dan staan de Philips Capella 877, B6X63A, Saturn 594 en Saturn 653 nog in de wachtkamer.
Nog genoeg werk dus.
Alvast aan de slag dus met de 633.
Graag Inloggen of een account aanmaken deelnemen aan het gesprek.
06 dec 2013 15:05 - 06 dec 2013 15:44 #38728
door Bert Kn
Mvg.
Bert
Beantwoord door Bert Kn in topic Bedrading luidsprekers Capella 663 ??
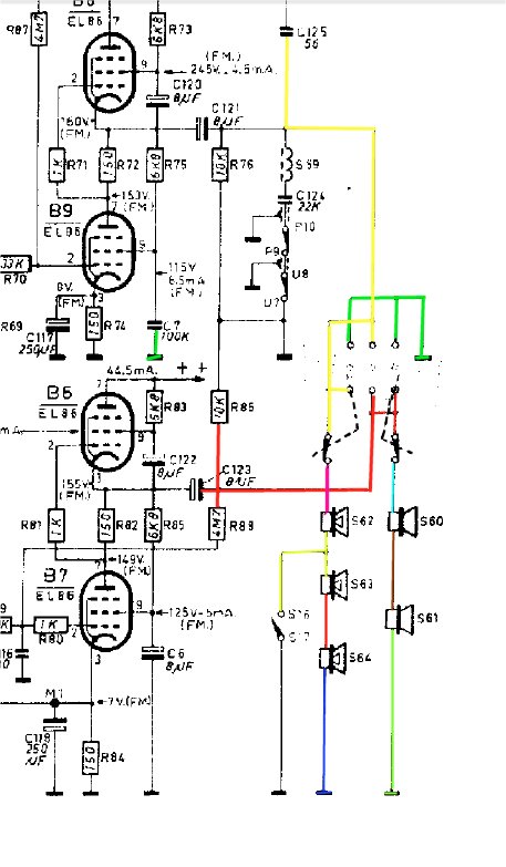
Ik heb het aan de hand van mijn exemplaar even uitgetekend.
Ik hoop dat het leesbaar en duidelijk is.
Bert.
Aansluit schema.
Klankregeling.
Middelste hoge tonen straler.
Ik hoop dat het leesbaar en duidelijk is.
Bert.
Aansluit schema.
Klankregeling.
Middelste hoge tonen straler.
Mvg.
Bert
Laatst bewerkt 06 dec 2013 15:44 door Bert Kn.
Graag Inloggen of een account aanmaken deelnemen aan het gesprek.