- Berichten: 201
Algemeen
Frequentie uitbreiden naar 108mHz
29 mei 2013 12:26 - 29 mei 2013 13:09 #32396
door pieterv
Beantwoord door pieterv in topic Frequentie uitbreiden naar 108mHz
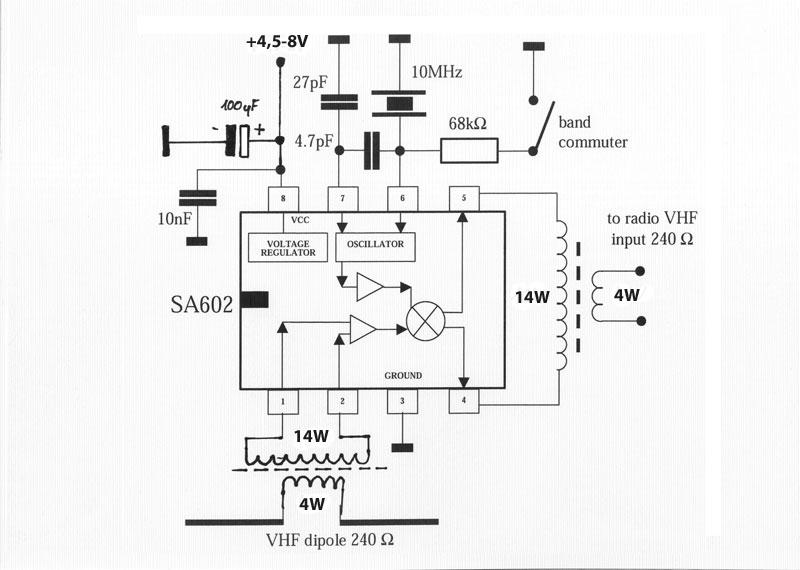
Een handige schakeling om de hele FM band zowel 10MHz omhoog als omlaag te transformeren. Want als je twee signalen mengt, krijg je zowel een signaal met som frequentie als een signaal met de verschil frequentie: 105MHz mengen met 10MHz geeft zowel 115 MHz als 95Mhz, en deze laatste kan dan door je radio met beperkte FM band worden ontvangen.
Zo te zien aan het schema SA602 van de op de voorzijde van het boek van Frank Sichla: HF technik is de SA602 een relatief eenvoudig oscillator/meng IC. Via een buffer wordt de oscillator spanning toegevoerd aan de basissen van twee van vier transistors. De andere twee basis van deze vier transistors lijken op vaste spanning gehouden te worden. Aan de andere kant krijgen deze transistors signaal toegevoerd op hun emitters vanuit een als differentiaal versterker opgebouwd paar transistors. Zo kan een multiplicatieve meng schakeling opgebouwd worden.
Ik vind dat de inwendige schakeling van de SA602 sterk lijkt op de schakeling waarmee ik mijn transistor MG mini zendertje heb ontworpen. De schakeling daarvan heb ik trouwens ook weer afgeleid uit het inwendige van een IC, de CA3080. zie
www.gloeidraad.nl/radioforumservice/inde...ub=artikel-am-torren
Zo komt de techniek van het mengen met transistors op hetzelfde basis schema neer. Als oscillator/meng IC zou de SA602 ook best toepasbaar kunnen zijn in een mini AM zendertje, bedenk ik mij.
Wat betreft de draaddikte van de HF spoeltjes: het lijkt mij niet echt kritisch: 0,5 tot 1 mm dik. Kritischer lijkt mij het materiaal van de ringkerntjes, dat moet wel geschikt zijn voor frequenties van rond 100MHz.
mvg, Pieter
Zo te zien aan het schema SA602 van de op de voorzijde van het boek van Frank Sichla: HF technik is de SA602 een relatief eenvoudig oscillator/meng IC. Via een buffer wordt de oscillator spanning toegevoerd aan de basissen van twee van vier transistors. De andere twee basis van deze vier transistors lijken op vaste spanning gehouden te worden. Aan de andere kant krijgen deze transistors signaal toegevoerd op hun emitters vanuit een als differentiaal versterker opgebouwd paar transistors. Zo kan een multiplicatieve meng schakeling opgebouwd worden.
Ik vind dat de inwendige schakeling van de SA602 sterk lijkt op de schakeling waarmee ik mijn transistor MG mini zendertje heb ontworpen. De schakeling daarvan heb ik trouwens ook weer afgeleid uit het inwendige van een IC, de CA3080. zie
www.gloeidraad.nl/radioforumservice/inde...ub=artikel-am-torren
Zo komt de techniek van het mengen met transistors op hetzelfde basis schema neer. Als oscillator/meng IC zou de SA602 ook best toepasbaar kunnen zijn in een mini AM zendertje, bedenk ik mij.
Wat betreft de draaddikte van de HF spoeltjes: het lijkt mij niet echt kritisch: 0,5 tot 1 mm dik. Kritischer lijkt mij het materiaal van de ringkerntjes, dat moet wel geschikt zijn voor frequenties van rond 100MHz.
mvg, Pieter
Laatst bewerkt 29 mei 2013 13:09 door pieterv. Reden: toevoegen tekst
Graag Inloggen of een account aanmaken deelnemen aan het gesprek.
29 mei 2013 09:16 #32391
door Bert Kn
Mvg.
Bert
Beantwoord door Bert Kn in topic Frequentie uitbreiden naar 108mHz
Henk,
Welke draad dikte wordt er voor de spoeltjes gebruikt?
Bert.
Welke draad dikte wordt er voor de spoeltjes gebruikt?
Bert.
Mvg.
Bert
Graag Inloggen of een account aanmaken deelnemen aan het gesprek.
29 mei 2013 00:14 #32377
door Cees
Beantwoord door Cees in topic Frequentie uitbreiden naar 108mHz
Henk K,
Ja, daar zal wel behoefte aan zijn.
Het zou dan gevoed kunnen worden uit de gloeispanning,brugje, elco, 5V spanning regelaar.
Maar van die moderne techniek die in dat schakelingetje zit begrijp ik niet veel.
B.v; Hoe werkt het met afstemmen? Kun je dat gewoon blijven doen met de bestaande afstemknop?
Ik ben wel benieuwd hoe de werking op een begrijpelijke manier kan uitgelegd kan worden.
Vr gr Cees.
Ja, daar zal wel behoefte aan zijn.
Het zou dan gevoed kunnen worden uit de gloeispanning,brugje, elco, 5V spanning regelaar.
Maar van die moderne techniek die in dat schakelingetje zit begrijp ik niet veel.
B.v; Hoe werkt het met afstemmen? Kun je dat gewoon blijven doen met de bestaande afstemknop?
Ik ben wel benieuwd hoe de werking op een begrijpelijke manier kan uitgelegd kan worden.
Vr gr Cees.
Graag Inloggen of een account aanmaken deelnemen aan het gesprek.
- hkruis
- [hkruis]
-
Onderwerp Auteur
Minder
Meer
28 mei 2013 16:57 #32354
door hkruis
Frequentie uitbreiden naar 108mHz werd gestart door hkruis
Voor er misverstanden over gaan komen, wil ik eerst even opmerken dat de oorspronkelijke schakeling niet van mijzelf is. Het is gebaseerd op standaard fabrikant specificatie en een ontwerp wat ik in de catacomben van RM.Org ben tegen gekomen.
Veel wat oudere radio met een FM frequentie lopen tot 100 MHz. Dit ontwerp geeft de mogelijkheid om de radio af te stemmen tot 108 mHz. De kern is gebaseerd op een mixer IC type SA/NE602, als alternatief kan ook een NE612 worden gebruikt. De schakeling verschuift de frequenties rond 10mhz naar boven en naar beneden. Aan de hoge kant van de band naar 108 MHz aan de lage kant wordt een zender op 90 MHz dan op 100 mHz ontvangen. een keuze van 12 MHz zou theoretisch een betere keus zijn geweest. Echter 10 mHz is wat eenvoudiger op de schaal terug te vinden.
Deze frequentie converter is ingevoegd in de antenne kring. De converter zit dus tussen de antenne ingang van de antenne naar de radio. Op het kastje zijn 2 schakelaars voorzien. 1 x IN\UIT en en een schakelaar voor 10mHz bypass. In de positie +10MHz wordt het frequentie bereik uitgebreid. De gevoeligheid wordt nog eens extra vergroot door het converteren. De voeding bestaat uit 4 AA batterijen. verbruik is ongeveer 2.4mA.
Het geheel is gemonteerd op een printplaat je en in een kastje gemonteerd.
De ringkernspoel
Het IC heeft een impedantie aan de symmetrische ingang van 3 Kohm. Deze spoel krijgt 14 windingen en 4 windingen voor de spoel aan de antenne kant. het is niet zo kritisch.
De 14 windingen gelijkmatig verdelen
De gegevens van het IC komen uit onderstaand boek
Veel wat oudere radio met een FM frequentie lopen tot 100 MHz. Dit ontwerp geeft de mogelijkheid om de radio af te stemmen tot 108 mHz. De kern is gebaseerd op een mixer IC type SA/NE602, als alternatief kan ook een NE612 worden gebruikt. De schakeling verschuift de frequenties rond 10mhz naar boven en naar beneden. Aan de hoge kant van de band naar 108 MHz aan de lage kant wordt een zender op 90 MHz dan op 100 mHz ontvangen. een keuze van 12 MHz zou theoretisch een betere keus zijn geweest. Echter 10 mHz is wat eenvoudiger op de schaal terug te vinden.
Deze frequentie converter is ingevoegd in de antenne kring. De converter zit dus tussen de antenne ingang van de antenne naar de radio. Op het kastje zijn 2 schakelaars voorzien. 1 x IN\UIT en en een schakelaar voor 10mHz bypass. In de positie +10MHz wordt het frequentie bereik uitgebreid. De gevoeligheid wordt nog eens extra vergroot door het converteren. De voeding bestaat uit 4 AA batterijen. verbruik is ongeveer 2.4mA.
Het geheel is gemonteerd op een printplaat je en in een kastje gemonteerd.
De ringkernspoel
Het IC heeft een impedantie aan de symmetrische ingang van 3 Kohm. Deze spoel krijgt 14 windingen en 4 windingen voor de spoel aan de antenne kant. het is niet zo kritisch.
De 14 windingen gelijkmatig verdelen
De gegevens van het IC komen uit onderstaand boek
Graag Inloggen of een account aanmaken deelnemen aan het gesprek.