- Berichten: 5
Algemeen
ERRES KY145; Enkel zwak geluid bij Zenders : AF deel OK.
16 okt 2012 19:18 #22816
door GUUZ
Beantwoord door GUUZ in topic ERRES KY145; Enkel zwak geluid bij Zenders : AF deel OK.
Hallo Cees,
Dank voor je reaktie. Helaas is dit niet het probleem:
Er is geen schakelaar voor de PU (en deze (of liever de CD speler) heb ik trouwens weer losgemaakt.
Op de PU ingang speelt de zaak goed (hoewel de speaker beter is dan de AF versterker).
Als ik deze speaker op mijn HiFi versterker aansluit (wel met bekrachtigde spoel) is het geluid verbluffend goed. Conclusie: Eindbuis en E444 OK (heb trouwens beide vervangen).
Met vr. gr. Mart
Dank voor je reaktie. Helaas is dit niet het probleem:
Er is geen schakelaar voor de PU (en deze (of liever de CD speler) heb ik trouwens weer losgemaakt.
Op de PU ingang speelt de zaak goed (hoewel de speaker beter is dan de AF versterker).
Als ik deze speaker op mijn HiFi versterker aansluit (wel met bekrachtigde spoel) is het geluid verbluffend goed. Conclusie: Eindbuis en E444 OK (heb trouwens beide vervangen).
Met vr. gr. Mart
Graag Inloggen of een account aanmaken deelnemen aan het gesprek.
16 okt 2012 19:13 #22815
door GUUZ
Beantwoord door GUUZ in topic ERRES KY145; Enkel zwak geluid bij Zenders : AF deel OK.
Hallo Leonardo,
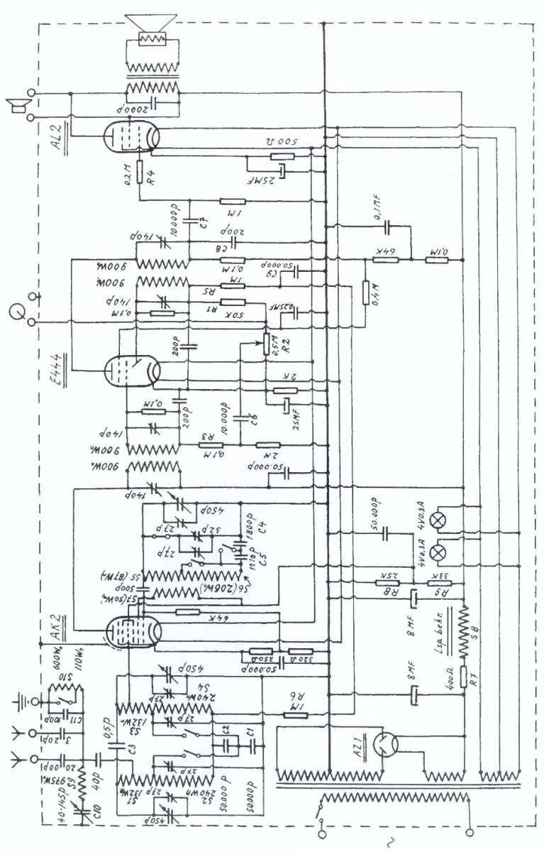
Dank voor de reaktie: C9 zou kunnen. Wordt ook op het andere radioforum genoemd. Ga ik checken.
R9 (snap ik niet) , maar ga ik ook controleren.
Mer vr. gr. Mart
Dank voor de reaktie: C9 zou kunnen. Wordt ook op het andere radioforum genoemd. Ga ik checken.
R9 (snap ik niet) , maar ga ik ook controleren.
Mer vr. gr. Mart
Graag Inloggen of een account aanmaken deelnemen aan het gesprek.
15 okt 2012 22:16 #22776
door Cees
Beantwoord door Cees in topic ERRES KY145; Enkel zwak geluid bij Zenders : AF deel OK.
Mart,
Ik vind in dat schema geen schakelaar die de pic up er af schakelt.
Ik heb zelf wel gehad met zo'n heel oude radio dat als je de radio dan wilde
beluisteren dat je zelf de banaan stekkers van de pic up er uit moest nemen.
Ook kwam het wel voor dat als je aan het platen draaien was dat de radio er
zacht door heen speelde.
Probeer eens wat de radio met losgekoppelde pic up doet.
Vr gr Cees.
Ik vind in dat schema geen schakelaar die de pic up er af schakelt.
Ik heb zelf wel gehad met zo'n heel oude radio dat als je de radio dan wilde
beluisteren dat je zelf de banaan stekkers van de pic up er uit moest nemen.
Ook kwam het wel voor dat als je aan het platen draaien was dat de radio er
zacht door heen speelde.
Probeer eens wat de radio met losgekoppelde pic up doet.
Vr gr Cees.
Graag Inloggen of een account aanmaken deelnemen aan het gesprek.
15 okt 2012 22:07 #22774
door leonardo
Beantwoord door leonardo in topic ERRES KY145; Enkel zwak geluid bij Zenders : AF deel OK.
C9 lek/sluiting? Weerstand R9 onderbroken?
Sucses!
gr.Leonardo
Sucses!
gr.Leonardo
Graag Inloggen of een account aanmaken deelnemen aan het gesprek.
15 okt 2012 20:56 #22768
door GUUZ
ERRES KY145; Enkel zwak geluid bij Zenders : AF deel OK. werd gestart door GUUZ
Hallo medeliefhebbers,
Heb een oude radio (ERRES KY145) van mijn zwager te repareren.
Inmiddels werkt het AF deel OK (Zwakke eindbuis en lekke koppel C's), Hoogspanningselko's waren ook uitgedroogd..
Heb nu goed + krachtig geluid op de PU ingang. Volumeregelaar werkt normaal (op deze ingang).
Maar ik ontvang alleen zenders (zachtjes) met dezelfde volumeregelaar dicht ??.
Behalve Hilversum 1 hoor ik toch Schotse, Duitse , Tsjechische zenders, maar je moet wel met je oor aan de speaker liggen.
Dit kan vroeger niet zo gewerkt hebben.
Buis AK-2 en E444 (MF + AF + diode) zijn OK.
Is dit misschien een probleem met de AVR. (Ik heb nog niet serieus gemeten of met een skoop gekeken).
Kan iemand zo al een mogelijke oplossing geven??
Hartelijk dank!!
Mart
Heb een oude radio (ERRES KY145) van mijn zwager te repareren.
Inmiddels werkt het AF deel OK (Zwakke eindbuis en lekke koppel C's), Hoogspanningselko's waren ook uitgedroogd..
Heb nu goed + krachtig geluid op de PU ingang. Volumeregelaar werkt normaal (op deze ingang).
Maar ik ontvang alleen zenders (zachtjes) met dezelfde volumeregelaar dicht ??.
Behalve Hilversum 1 hoor ik toch Schotse, Duitse , Tsjechische zenders, maar je moet wel met je oor aan de speaker liggen.
Dit kan vroeger niet zo gewerkt hebben.
Buis AK-2 en E444 (MF + AF + diode) zijn OK.
Is dit misschien een probleem met de AVR. (Ik heb nog niet serieus gemeten of met een skoop gekeken).
Kan iemand zo al een mogelijke oplossing geven??
Hartelijk dank!!
Mart
Graag Inloggen of een account aanmaken deelnemen aan het gesprek.