- Berichten: 4349
Algemeen
philips B7X72A electrische gitaar
06 apr 2012 00:53 #16195
door Cees
Beantwoord door Cees in topic Re: philips B7X72A electrische gitaar
De waarden van de anode en kathode R's zien er uit als passend bij twee parallel
geschakelde ECC82 of ECC83.Dat heb ik zelf ook zo wel eens gedaan.
Waarin de ECC83 de meeste versterking geeft.
Vr gr Cees.
geschakelde ECC82 of ECC83.Dat heb ik zelf ook zo wel eens gedaan.
Waarin de ECC83 de meeste versterking geeft.
Vr gr Cees.
De volgende gebruiker (s) zei dank u: arjenm
Graag Inloggen of een account aanmaken deelnemen aan het gesprek.
05 apr 2012 19:46 #16184
door Laurens
.
Beantwoord door Laurens in topic Re: philips B7X72A electrische gitaar
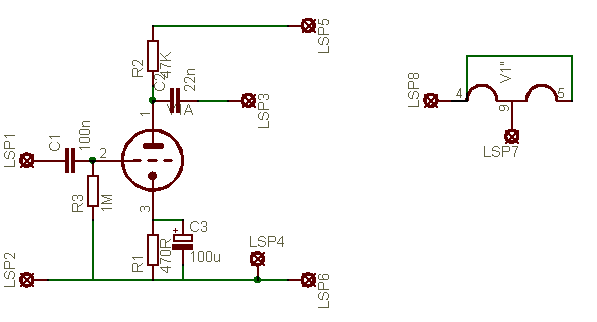
Ik heb deze schakeling gebruikt, ik heb 'm ooit op internet gevonden. Ik heb er een EC92 in gestopt. Voeding doe ik met een 7v trafo, vervolgens weer een 12v trafo 'verkeerdom' voor de hoogspanning. Volgens mij is ie bedoeld voor gebruik met een ECC82 of ECC83.
.
De volgende gebruiker (s) zei dank u: arjenm
Graag Inloggen of een account aanmaken deelnemen aan het gesprek.
05 apr 2012 18:14 #16178
door arjenm
mvg arjen meulmeester
ik probeer het repareren van buizen radio,s onder de knie te krijgen en er zoveel mogelijk over te weten te komen WAAROM om dat ik iets heb met oude radio,s en techniek .
mijn andere hobby is het restaureren van oldtimers en alles wat er met te maken heeft
en natuurlijk ook mee rijden
Beantwoord door arjenm in topic Re: philips B7X72A electrische gitaar
hallo laurens kan ik aan een schematje komen van zo,n voorversterkertje
en bedankt voor de info
gr arjen
en bedankt voor de info
gr arjen
mvg arjen meulmeester
ik probeer het repareren van buizen radio,s onder de knie te krijgen en er zoveel mogelijk over te weten te komen WAAROM om dat ik iets heb met oude radio,s en techniek .
mijn andere hobby is het restaureren van oldtimers en alles wat er met te maken heeft
en natuurlijk ook mee rijden
Graag Inloggen of een account aanmaken deelnemen aan het gesprek.
05 apr 2012 11:16 #16164
door Laurens
.
Beantwoord door Laurens in topic Re: philips B7X72A electrische gitaar
Ik heb het idee dat het gitaarsignaal te zwak is voor een buizenradio. Alleen de allerhoogste pieken bereiken de 2v, de sustain zit daar ver onder. Ik heb een klein voorversterkertje met een EC92 gemaakt en dat werkt perfect.
Houd er een beetje rekening mee dat radiospeakers niet zo stevig zijn gebouwd als een gitaarversterkerspeaker. Bij normaal gebruik hoef je geen problemen te verwachten, maar op standje Rage Against the Machine gaat het niet al te lang mee vrees ik.
Houd er een beetje rekening mee dat radiospeakers niet zo stevig zijn gebouwd als een gitaarversterkerspeaker. Bij normaal gebruik hoef je geen problemen te verwachten, maar op standje Rage Against the Machine gaat het niet al te lang mee vrees ik.
.
Graag Inloggen of een account aanmaken deelnemen aan het gesprek.
- hkruis
- [hkruis]
-
Minder
Meer
04 apr 2012 20:13 - 04 apr 2012 20:14 #16156
door hkruis
Beantwoord door hkruis in topic Re: philips B7X72A electrische gitaar
Hallo Arjen, je zult een verloop moeten maken van de jackplug naar de pick-up ingang van de radio.
Omdat ik niet weet wat je uitgangsspanning van je gitaar element is kan het zijn, maar verwacht ik niet, dat er een verzwakker netwerkje tussen moet. 2Vtt = volgens mij het signaal van je element. Voor een kristal pickup is dit volgens mij rond de 500mV max, dus de gitaar een beetje laag volume uitgang houden.
Ik zou een contra jackplug nemen en de afscherming aan een banaanstekker (aarde) en de signaaldraad ook naar een banaanstekker. De plug van de gitaar gaat in de contra jackplug.
Omdat ik niet weet wat je uitgangsspanning van je gitaar element is kan het zijn, maar verwacht ik niet, dat er een verzwakker netwerkje tussen moet. 2Vtt = volgens mij het signaal van je element. Voor een kristal pickup is dit volgens mij rond de 500mV max, dus de gitaar een beetje laag volume uitgang houden.
Ik zou een contra jackplug nemen en de afscherming aan een banaanstekker (aarde) en de signaaldraad ook naar een banaanstekker. De plug van de gitaar gaat in de contra jackplug.
Laatst bewerkt 04 apr 2012 20:14 door hkruis.
Graag Inloggen of een account aanmaken deelnemen aan het gesprek.
04 apr 2012 18:58 #16155
door arjenm
mvg arjen meulmeester
ik probeer het repareren van buizen radio,s onder de knie te krijgen en er zoveel mogelijk over te weten te komen WAAROM om dat ik iets heb met oude radio,s en techniek .
mijn andere hobby is het restaureren van oldtimers en alles wat er met te maken heeft
en natuurlijk ook mee rijden
philips B7X72A electrische gitaar werd gestart door arjenm
hallo beste mensen,
ik ben in het bezit gekomen van een philips B7X72A ik heb me laten vertellen
dat je op de pu ingang ook een electriche gitaar kunt aansluiten
weet iemand hier iets van en hoe sluit ik hem dan aan
aan de gitaar zit een ronde 6mm plug
moet ik dan een verloopje maken
gr arjen
ik ben in het bezit gekomen van een philips B7X72A ik heb me laten vertellen
dat je op de pu ingang ook een electriche gitaar kunt aansluiten
weet iemand hier iets van en hoe sluit ik hem dan aan
aan de gitaar zit een ronde 6mm plug
moet ik dan een verloopje maken
gr arjen
mvg arjen meulmeester
ik probeer het repareren van buizen radio,s onder de knie te krijgen en er zoveel mogelijk over te weten te komen WAAROM om dat ik iets heb met oude radio,s en techniek .
mijn andere hobby is het restaureren van oldtimers en alles wat er met te maken heeft
en natuurlijk ook mee rijden
Graag Inloggen of een account aanmaken deelnemen aan het gesprek.